基于LM723具有過流保護的直流可調穩壓電源
<<版權聲明:本文由容源電子網(www_dziuu_com)整理提供,部分內容來源于網絡,如有侵犯到你的權利請與我們聯系更正。》
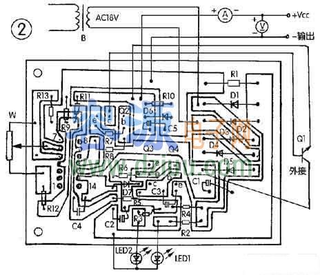
具有過流保護的直流可調穩壓電源本電源的主要器件是通用穩壓集成塊,內部含有啟動電路、恒流源、基準穩壓源、過流保護等電路。配合大功率
管,可輸出0~20連續可調的穩定電壓,最大輸出電流可達2A,并且具有過流保護功能,可
手機、BP機的維修電源,也
于蓄電池充電。電路見圖1,正常使用時,紅色和綠色發光二極管
閃亮,調節電位器W可使輸出電壓在0~20范圍內調節。 <<版權聲明:本文由容源電子網(www_dziuu_com)整理提供,部分內容來源于網絡,如有侵犯到你的權利請與我們聯系更正。》
當輸出端出現過流或短..具有過流保護的直流可調穩壓電源本電源的主要器件是通用穩壓集成塊LM723,內部含有啟動電路、恒流源、基準穩壓源、過流保護等電路。配合大功率
管,可輸出0~20連續可調的穩定電壓,最大輸出電流可達2A,并且具有過流保護功能,可
手機、BP機的維修電源,也
于蓄電池充電。
<<版權聲明:本文由容源電子網(www_dziuu_com)整理提供,部分內容來源于網絡,如有侵犯到你的權利請與我們聯系更正。》

電路見圖1,正常使用時,紅色和綠色發光二極管
閃亮,調節電位器W可使輸出電壓在0~20范圍內調節。當輸出端出現過流或短路時,R1兩端的壓降大于0.6V,Q3、Q4導通,
綠燈熄滅,D7導通,LM723的紒紞矠腳電壓下降接近0V,內部檢測電路動作,紒紜矠腳輸出高電壓23V,使Q1、Q2截止,
無電壓輸出,起到保護作用。只有關機后重新開機才有輸出。 <<版權聲明:本文由容源電子網(www_dziuu_com)整理提供,部分內容來源于網絡,如有侵犯到你的權利請與我們聯系更正。》
為保證
管Q1輸出額定電流時不被燒壞,應加裝足夠大的散熱片。整個電源
塑料盒作機殼,前面板裝電流表、電壓表、開關、調節電位器。輸出接線端子以及紅綠色發光二極管。本電路只要元件
,無需調試
正常工作。 <<版權聲明:本文由容源電子網(www_dziuu_com)整理提供,部分內容來源于網絡,如有侵犯到你的權利請與我們聯系更正。》
其中Q1最好采用進口的C2819、2N3395等大功率管,IC
LM723、MC1723等。印刷電路見圖。 <<版權聲明:本文由容源電子網(www_dziuu_com)整理提供,部分內容來源于網絡,如有侵犯到你的權利請與我們聯系更正。》
<<版權聲明:本文由容源電子網(www_dziuu_com)整理提供,部分內容來源于網絡,如有侵犯到你的權利請與我們聯系更正。》
本文地址:http://www.gsdpw.cn/dz/21/2011917193945.shtml
本文標簽:
猜你感興趣:
PS3120A 低噪聲開關電容器電壓雙倍器
關鍵詞: 所屬欄目:元器件知識
M12266 Type-C輸入3-6節鋰電池同口充放電管理移動電源
深圳市永阜康科技有限公司現在大力推廣一顆內置PD3.0/QC3.0等主流快充協議、3-6多節鋰電池移動電源雙向100W快充IC-M12266,配合極簡的外圍電路,即可實現常見便攜電子設備的Type-C快充需求。
關鍵詞: 所屬欄目:電源電路
M12229 雙節串聯鋰電池充放電管理的35W移動電源雙向快
現在市場上一般采用升降壓型充電管理芯片+快充協議芯片來實現,應用設計及外圍比較復雜。深圳市永阜康科技有限公司現在大力推廣一顆內置PD3.0/QC3.0快充協議升降壓型35W兩節鋰電充放電SOC芯片-M12229,輸入電壓3.3V-20V,最大充電電流5A,最大輸入/輸出功率35W,適用于雙節串聯大容量鋰電池的快速充電場合。
關鍵詞: 所屬欄目:電源電路
M12269 支持PD3.1等快充協議、140W升降壓3-8節多串鋰電
深圳市永阜康科技有限公司現在順勢推廣一顆支持PD3.1/QC3.0等主流快充協議、3-8節升降壓型140W鋰電充放電管理SOC-M12269。
關鍵詞: 所屬欄目:電源電路
導熱絕緣片在電源電子領域散熱的重要性
導熱絕緣片是一種以特殊薄膜為基材的高性能彈性絕緣材料,主要安裝在發熱界面與其組件的空隙處。而電源電子由電源主芯片、變壓器、MOS管、PCB板,電阻電容等多個部件共同組成,在運作過程會散發出較大熱量,因此要選擇合適的導熱界面材料來降低熱量以保持產品的正常運作。
關鍵詞: 所屬欄目:電源電路
你知道電源行業不同部件散熱對應哪些導熱界面材料嗎?
關鍵詞: 所屬欄目:電源電路
LED調光電源和LED調光器有什么區別?
關鍵詞: 所屬欄目:開關電源電路圖
干電池升壓IC 3.3V的電源芯片PW5100
PW5100 的工作頻率高達 1.2MHz,其目的是為了能夠減小外部的電感尺寸和輸出電容容值,故 PW5100 只需要 1uH 以上的電感就可以保證正常工作,
但是輸出端如果需要輸出大電流負載(例如:輸出電流大于 200mA),為了提高工作效率,建議使用較大一點的電感。
同時輕載應用,輸出電流10M,50MA左右時,建議使用大的的電感如6.8UH。
關鍵詞: 所屬欄目:電子器材
LED調光電源和普通電源有什么區別?
關鍵詞: 所屬欄目:開關電源電路圖
如何遠程控制電源開關?
關鍵詞: 所屬欄目:開關電源電路圖
LED調光電源怎么接線?
關鍵詞: 所屬欄目:開關電源電路圖
LED調光電源怎么接線?
關鍵詞: 所屬欄目:開關電源電路圖
雙電源供電電路圖
功率放大電路中的前置放大器,一般都采用雙電源供電,即對稱的正負電源供電。業余制作時,會碰到手頭無雙電源的情況,這就給制作帶來困難。本例介紹利用TDA2030將單電源轉換為雙電源給前
關鍵詞: 所屬欄目:電路圖
日光燈12V電源電路
該高壓電源可以使日光燈在12V電壓下工作,即使該燈管的燈絲有缺陷。本質上它是個用于激勵自制自偶變壓器的振蕩器。T1層繞在一根直徑5/16、長17/8的鐵氧體磁棒上。S2是一種選擇性的燈絲開關
關鍵詞: 所屬欄目:電路圖
交流控制的氦氖電源電路
T1是一個60赫茲的120伏到1000伏升壓變壓器。C1, C2, C3, C4, D2通過D5形成一個四倍電壓。最初的電壓是4到5千伏,當激光管發光時電壓下降。 :
關鍵詞: 所屬欄目:電路圖
實驗用的電源電路
由無源線性集成電路穩壓器組成的電源能夠提供+12, +9, +5, -5, -9和-12伏的直流電。T1和T2是12伏,3安的變壓器。 :
關鍵詞: 所屬欄目:電路圖
怎么遠程控制電源開關?
遠程控制電源開關:不受距離以及空間的限制,可以在手機上對電源開關進行控制,使用遠程控制開關就可以實現的。遠程控制開關:只要有4G信號的地方,可以不受距離限制,控制
關鍵詞: 所屬欄目:開關電源電路圖
導熱凝膠與導熱絕緣片解決5G通信電源散熱
在5G通信中,微小基站數量將大幅度增長,這些微小基站的供電電源絕大多數都將被安裝在密閉空間內,因此,這一類通信電源智能采用自然散熱方式,可根據實際應用來選擇合適的導熱界面材料。這里推薦導熱凝膠,導熱絕緣片。
關鍵詞: 所屬欄目:其他文章
以下4種導熱絕緣材料常為電源適配器散熱提供解決方案
通常電源適配器廠家在設計生產時都會使用一些導熱絕緣材料幫助電源進行導熱散熱,通常用的導熱材料有:導熱硅膠片、單組份導熱凝膠、導熱灌封膠、導熱硅脂。
關鍵詞: 所屬欄目:電源電路
開關電源散熱設計熱衷于導熱硅膠片的原因及應用方式
在對電源散熱設計時,散熱這一塊就成了電源設計中非常重要的一個環節。電源散熱設計中常用的幾種方法有:使用被動散熱,如:散熱器、冷卻風扇,金屬PCB,導熱材料(導熱硅膠片)等。
關鍵詞: 所屬欄目:開關電源電路圖