基于uc3842顯示器電源電路圖
下面介紹一款顯示器電源電路,ENVISION EC-1439型顯示器電源電路,主要控制芯片是UC3842,輸出電壓分別是96V,88V,20V, 12V。應用UC3842集成塊的開關電源電路很多,只是輸出電壓不一樣而已,應用場合不同,但工作原理相同。
本電路輸入為220V交流電壓,先有變壓器降壓,再經過整流二極管和濾波電容后輸出為直流電壓。場效應管控制直流電的導通與關斷,經過變壓器降壓,再由二極管整流,濾波電容濾波后輸出為穩(wěn)壓直流電源。
容-源-電-子-網-為你提供技術支持
本文地址:http://www.gsdpw.cn/dz/23/15980617773962.shtml
本文標簽:
猜你感興趣:
UC3842開關電源電路圖
電源電路圖UC3842開關 當NMOS管導通時,初級線圈N1電流線性增大,磁場增強,次級線圈中VD4截止,由電容C10向負載供電;此時,脈沖變壓器原邊回路中VD2亦截止,N1這時起
關鍵詞: 所屬欄目:電源電路
51單片機對LCD1602液晶顯示器的控制
51單片機對LCD1602液晶顯示器的控制
要想實現人機交互,顯示裝置是不可缺少的。這篇文章主要關于如何控制液晶顯示,并在此基礎上加上定時器的功能,把原來已用數碼管顯示
關鍵詞:單片機51單片機 所屬欄目:設計編程
UC3842的供電電路分析
UC3842是目前仍在大面積使用的電源管理產品之一,很多結構簡單或龐大復雜的電路仍在使用這款經典產品,在本文中,小編將通過一個例子為大家介紹UC3842的供電電路原理,感興趣的朋友快來
關鍵詞:開關穩(wěn)壓電源穩(wěn)壓電路 所屬欄目:電路圖
基于UC3842的斷開振蕩電路方式
在很多電路中都有UC3842的應用例子,本文將為大家介紹有關UC3842斷開震蕩回路的方法,感興趣的朋友快來看一看吧。
圖1采用斷開振蕩回路的方法
圖2采取抬高第2腳,進而使第
關鍵詞:開關穩(wěn)壓電源穩(wěn)壓電路 所屬欄目:電路圖
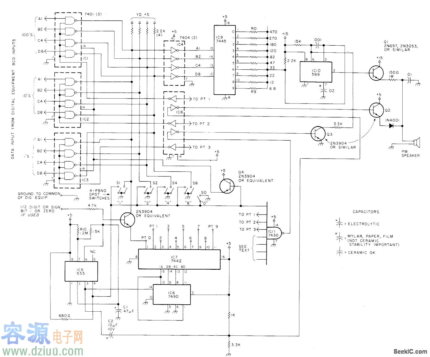
數字顯示器音頻輸出
該電路將數字測試轉換為BCD輸入以適應0到9以串聯(lián)10個不同的音調序列,目的在于幫助盲人無線電操作者或實驗者識別數字顯示器顯示的讀數。音調序列的長度等于顯示的位數加上所需的標記指示或半數字。 :
關鍵詞: 所屬欄目:音頻功放電路
小功率UC3842a開關電源電路圖
無
關鍵詞:開關穩(wěn)壓電源直流穩(wěn)壓電源穩(wěn)壓集成電路充電器電路圖 所屬欄目:電源電路
液晶顯示器特點及工作原理
無
關鍵詞: 所屬欄目:家電維修
介紹液晶顯示器的主要性能指標及參數
無
關鍵詞: 所屬欄目:家電維修
液晶顯示器常見故障的處理方法
無
關鍵詞: 所屬欄目:家電維修
UC3842引腳功能、uc3842a電路圖(中文資料)
無
關鍵詞:開關穩(wěn)壓電源充電器電路圖穩(wěn)壓電源 所屬欄目:電子基礎
液晶顯示器常見故障及維修實例
無
關鍵詞: 所屬欄目:電子基礎
分享液晶顯示器高壓板維修經驗
無
關鍵詞: 所屬欄目:家電維修
基于UC3842a的PWM開關電源工作原理
無
關鍵詞:開關穩(wěn)壓電源穩(wěn)壓集成電路 所屬欄目:電源電路
基于UC3842電動車充電器電路圖
基于UC3842電動車充電器電路圖 ;;該電動車充電電路采用UC3842集成電路制作的開關電源電路,具有效率高,市電電壓范圍寬等優(yōu)點。電路簡單,維修方便,是最常用的電動車充電器電路,電路圖如下:
關鍵詞:充電器電路圖開關穩(wěn)壓電源 所屬欄目:其他文章
采用UC3842a的反激式開關電源設計
無
關鍵詞:開關穩(wěn)壓電源電路設計 所屬欄目:設計編程
基于FAN7601液晶顯示器電源電路圖
無
關鍵詞: 所屬欄目:電子基礎
集成電路液晶顯示器去保護方法
無
關鍵詞: 所屬欄目:家電維修
LED與LCD顯示器哪種更有優(yōu)勢
液晶顯示器的基本工作原理
無
關鍵詞: 所屬欄目:家電維修