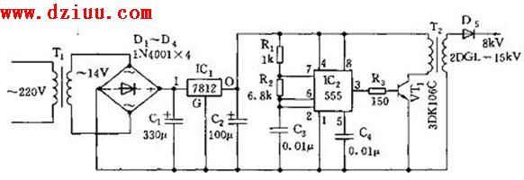
本高壓發生器電路可產生穩定的8KV
的高壓,它電路簡單,穩定可靠。該電路
降壓整流、穩壓電路、18kHz多諧振蕩器和升壓變壓器等,其電路如圖
。
<<版權聲明:本文由容源電子網(www_dziuu_com)整理提供,部分內容來源于網絡,如有侵犯到你的權利請與我們聯系更正。》
降壓整流電路由降壓變壓器T1和全橋整流器及濾波電容器C1等組成,整流出的15V直流電壓,經三端穩壓器7812穩壓后輸出 12v的穩定直流電壓,為IC2、VT1等提供工作電壓。
<<版權聲明:本文由容源電子網(www_dziuu_com)整理提供,部分內容來源于網絡,如有侵犯到你的權利請與我們聯系更正。》
555和R1、R2、C3等組成一個無穩態多諧振蕩器,其振蕩頻率為:
fc=1.44/(R1 2R2)C3
圖示參數是按18.5kHz設計的。 <<版權聲明:本文由容源電子網(www_dziuu_com)整理提供,部分內容來源于網絡,如有侵犯到你的權利請與我們聯系更正。》
溫馨提示:將鼠標指針放在圖片上,滾動鼠標可以動態改變圖片大小,方便分析電路圖。
555輸出的高頻振蕩脈沖經R3限流后,加至高頻放大級VT1的基極。該放大器的負載是升壓變壓器T2,經T2的次級升壓,可使次級輸出達12KV的高壓,再經高壓堆或高壓整流管整流后,可穩定輸出 8KV的直流高壓。 <<版權聲明:本文由容源電子網(www_dziuu_com)整理提供,部分內容來源于網絡,如有侵犯到你的權利請與我們聯系更正。》
圖中降壓變壓器T1的次級電壓應不低于11V,功率不小于5VA;全橋整流器由四支1N4001組裝而成,也可選用1A/400V的全橋模塊;VT1可選用中功率高頻開關管3DK106C或2SD1062等管型; <<版權聲明:本文由容源電子網(www_dziuu_com)整理提供,部分內容來源于網絡,如有侵犯到你的權利請與我們聯系更正。》
升壓變壓器T2可使用14英寸電視機行輸出變壓器的磁芯和骨架,初級L1用Φ0.45高強度聚脂漆包線繞制54圈,次級用原高壓包,無須改動。初級線圈繞制后最好烘干并臘封。 <<版權聲明:本文由容源電子網(www_dziuu_com)整理提供,部分內容來源于網絡,如有侵犯到你的權利請與我們聯系更正。》
本文地址:http://www.gsdpw.cn/dz/23/2012615201755.shtml
本文標簽:
猜你感興趣:
差分晶振電路圖如何制作 影響差分晶振價格的原因
其實,對于差分晶振電路圖制作方式,一般建議請專業的人士制作即可,現在網絡上有很多可以制作差分晶振電路圖公司,在這些方面選擇的時候應該多方面的了解的。然后選擇適合自己的公司。對于公司的選擇一般采用對比方式選擇,比如對比產品價格、對比公司服務以及對比的自己公司的需求,然后選擇適合自己的公司制作。
關鍵詞: 所屬欄目:電子基礎
常見電子電路圖中英文對照表及解釋
常見電子電路圖中英文對照表及解釋
經常查看電子電路圖的朋友都知道一些常用的術語都是用英文簡寫的,從而減少電路圖中的注釋,可以讓電路圖看上去很簡潔明了,那么有些人
關鍵詞: 所屬欄目:電子基礎
VK1640電磁爐/冰箱LED 高壓驅動,數碼管LED顯示屏驅動
VK1640是一種數碼管或點陣LED驅動控制專用芯片,內部集成有數據鎖存器、LED 驅動等電路。SEG腳接LED陽極,GRID腳接LED陰極,可支持8SEGx16GRID的點陣LED顯示。適用于小型LED顯示屏驅動。采用SOP28的封裝形式。
關鍵詞: 所屬欄目:元器件知識
28V 高壓線性充電管理芯片 ZCC3221
描述:
ZCC3221 是一款單節鋰離子電池恒流/恒壓線性充電器,采用底部帶散熱片的SOP8封裝以及簡單的外部應用電路,非常適合便攜式設備應用,適合USB電源和適配器電源工作,
關鍵詞: 所屬欄目:電子器材
雙電源供電電路圖
功率放大電路中的前置放大器,一般都采用雙電源供電,即對稱的正負電源供電。業余制作時,會碰到手頭無雙電源的情況,這就給制作帶來困難。本例介紹利用TDA2030將單電源轉換為雙電源給前
關鍵詞: 所屬欄目:電路圖
1V升壓到3V的芯片,1V升壓3.3V電路圖
1V升壓到3V和1V升壓3.3V的升壓芯片?
PW5100 是一款效率很大、低功耗、低紋波、高工作頻率的 PFM 同步升壓 DC/DC 變換器。輸出電壓可選固定輸出值,從 3.0V,3.3V, 5.
關鍵詞: 所屬欄目:元器件知識
12V轉5V降壓芯片,12V轉3.3V穩壓芯片電路圖
12V轉5V應用中,大多要求會輸出電流高的,穩壓LDO就不能滿足了,需要使用DC-DC降壓芯片來持續穩壓5V,輸出電流1000MA,2000MA,3000MA,5000MA等。不同的輸出電流可以選擇適
關鍵詞: 所屬欄目:元器件知識
5V降壓轉3.3V,5V轉3V電路圖芯片
5V降壓轉3.3V和3V都是低壓,兩個之間的壓差效率,所以效率和工作溫度這塊都會比較優秀,輸入和輸出的最低壓差外是越小越好。
如果電流比較小,可以用LDO:PW6566 系列是
關鍵詞: 所屬欄目:元器件知識
3.7V升壓5V,3.7V轉5V電路圖芯片
鋰離子電池在如今是廣泛應用存在我們生活中的方方面面的電子產品中。如,電子玩具,美容儀,醫療產品,智能手表,手機,筆記本,電動汽車等等非常多。
鋰電池3.7V
關鍵詞: 所屬欄目:元器件知識
5V升壓12.6V應用電路圖
產品概述
PW4053 是一款 5V 輸入,最大 1.2A 充電電流,支持三節鋰離子電池的升壓充電管理 IC。PW4053 集成功率 MOS,采用異步開關架構,使其在應用時僅需極少的外圍器件,
關鍵詞: 所屬欄目:元器件知識
5V升壓8.4V,5V轉8.4芯片電路圖
PW5300是電流模式升壓DC-DC轉換器。其內置0.2Ω功率MOSFET的PWM電路使該穩壓器具有效高的功率效率。內部補償網絡還可以程度地減少了6個外部元件的數量。誤差放大器的同
關鍵詞: 所屬欄目:元器件知識
簡易自制金屬探測器電路圖,只需少量元器件即可制作成
金屬探測器電路圖 金屬探測器可應用很多領域,當然,金屬探測器根據工作原理的不同,也可以分為很多種的類型電路,今天我們主要介紹的是用集成電路555制作的金屬探測器,由
關鍵詞: 所屬欄目:電路圖
PW2558芯片DC/DC應用電路圖及參數
說明
PW2558開發了一種高效的異步降壓DC/DC調節器輸出0.8A電流。集成電路采用電流模式自適應恒關斷時間控制。這個PW2558可在4.5V至55V的寬輸入電壓范圍內工作,并將主開關
關鍵詞: 所屬欄目:元器件知識
PW1555應用電路-代理商
PW1555是一個可編程的限流開關,具有輸入電壓范圍選擇和輸出電壓鉗位。集成保護N溝FET的極低RDS(ON)有助于減少正常運行時的功率損耗。可編程軟啟動時間控制轉換率,在啟動
關鍵詞: 所屬欄目:元器件知識
對高壓陶瓷電容作用分析
高壓陶瓷電容具有耐磨直流高壓的特點,適用于高壓旁路和耦合電路中,其中的低耗損高壓圓片具有較低的介質損耗,特別適合在電視接收機和掃描等電路中使用。高壓瓷片電容只要針對于高頻,高壓瓷片電容取決于使用在什么場合,典型作用可以消除高頻干擾。
關鍵詞: 所屬欄目:元器件知識
PW6206降壓調節參數及應用電路圖
一般說明
PW6206系列是一款高精度,高輸入電壓,低靜態電流,高速,低壓降線性穩壓器具有高紋波抑制。在VOUT=5V&VIN=7V時,輸入電壓高達40V,負載電流高達300mA,采用BCD工
關鍵詞: 所屬欄目:元器件知識
PW2052 DC-DC降壓調節器電路圖
一般說明 中英翻譯篇,翻譯部分
PW2052是一種高效率、高頻同步DC-DC降壓調節器。100%的人占空比特性提供低壓差操作,延長便攜式系統的電池壽命。內部同步開關提高了效率,
關鍵詞: 所屬欄目:元器件知識
2V升5V的升壓芯片,兩款芯片電路圖
2V的輸入電壓,是可以用來做5V輸出的升壓電路,但是2V的供電設備很少,不知道還有什么東西是2V電壓的,還需要升壓到5V的電路系統。
兩款2V升5V的芯片電路圖: PW5100升壓芯
關鍵詞: 所屬欄目:元器件知識
2.4V升5V芯片,8uA功耗,低功耗升壓電路圖
2.4V升5V,可用于USB拔插充電,也可以用于把兩節鎳氫電池2.4V升壓到5V,的固定輸出穩壓電壓值,同時輸出電流可達1A,0.5A等
首先是先說下0.5A的這款的話,是比較低功耗
關鍵詞: 所屬欄目:元器件知識
1V升5V芯片,1V升5V電路圖規格書
如果需要1V輸入的話,可以看到PW5100的最低低壓輸入0.7V,就可以達到要求了。
同時PW5100也具有較大的輸入開關電流1.5A,可以滿足輸出的要求和功能。
對于1V的供電來說
關鍵詞: 所屬欄目:元器件知識