LA4520-單片立體聲放音集成電路圖
LA4520是日本三洋公司生產的單片放音集成電路。在國內目前流行的國產、進口件組裝或進口單放機及收放機中應用相當廣泛。
LA4520內電路方框圖及引腳功能
LA4520集成塊的內電路主要由兩路相同的放音前置放大電路、功放電路等組成。其集成塊的內電路 方框圖如圖1所示。該IC采用20腳雙列式封裝,其集成電路的引腳功能及數據見表1所列。
2·LA4520典型應用電路
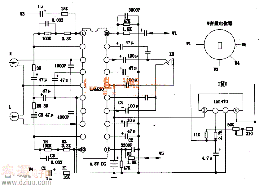
LA4520集成塊的典型應用電路如圖2示。
表1 LA82集成電路的5腳功能及數據
表 2 LA4520單片放音機集成電路的引腳功能及數據

3·信號流程
由于圖1電路左、右聲道對稱,下面以L聲道為例,介紹其放音信號流程。
L聲道磁頭拾取的信號,從LA4520集成塊的(8)腳輸入至IC內的前置放大電路,經前置放大后從(10) 腳輸出至Rl電阻、Cl電容、音量電位器W4端,經音量控制以后到R2電阻,LA4520(11)腳進入IC內的 功放電路進行放大,放大后的信號從(14)腳出至稽合電容C4便L聲道耳機重放出聲音。
圖1 LA4520集成塊的內電路方框圖 
圖2 LA4520集成塊的典型應用電路

LA4520集成電路(10)腳與(9)腳間所接的R3、R4、C3為L聲道前置放大電路輸出信號反饋元件; R5、C5為輸入端反饋元件。
4·故障檢修提示
檢修某一聲道無聲、有聲但失真,聲小等故障時,可先判斷是直流通路問題還是交流通路的故障。這可以通過測LA4520各引腳上的電壓來確定。若測得的電壓與表1-2基本相同,則就說明問題出在交流 信號通路中。
本文地址:http://www.gsdpw.cn/gongfangdianlu/y/15712935953274.shtml
本文標簽:
猜你感興趣:
IU8689+IU5706 單聲道100W/立體聲60W同步升壓+功放IC大
深圳市永阜康科技有限公司推出基于IU8689+IU5706、單聲道100W/立體聲2x60W同步升壓+功放IC大功率拉桿音箱應用組合方案,升壓效率高達96%。在提供更大功率輸出的前提下,整套方案組合極具性價比。
關鍵詞: 所屬欄目:車載功放電路
ACM3108/ACM3128/ACM3129立體聲D類功放芯片系列動態調
深圳市永阜康科技有限公司現在大力推廣具備動態調整升壓CLASS H功能的D類功放芯片系列-ACM31XX系列,功率覆蓋單聲道10W-100W、雙聲道2*10W-2*50W,供電滿足1-5串鋰電池及鉛酸電池的應用,能夠保證足夠功率輸出及音質體驗的前提下,極大延長電池的續航時間。
關鍵詞: 所屬欄目:音頻功放電路
HT566 2x20W立體聲I2S數字輸入無電感閉環D類音頻功放I
深圳市永阜康科技有限公司現在推廣一顆I2S數字輸入20W立體聲無電感閉環D類音頻功放芯片HT566,適合應用于藍牙音箱、WiFi音箱、智能音箱、公交車語音播報系統等領域。
關鍵詞: 所屬欄目:音頻功放電路
立體聲解碼器電路
立體聲解碼器電路 如圖為立體聲解碼器電路。MC1310P是一個集成的立體聲解碼器14腳雙列直插式塑料封裝的IC芯片。電容C6和C7用作工作電源濾波。電容C3加電阻R3和R4形式的IC內部振蕩電路RC。電阻R2加電容C1和C2,形
關鍵詞: 所屬欄目:音頻功放電路
無輸出變壓器電路制作OCL立體聲功放
省去輸出變壓器的功率放大電路通常稱為OTL電路.其中,OTL為OutputTransformerLess的縮寫.OTL電路為單端推挽式無輸出變壓器功率放大電路.通常采用電源供電,從兩組串聯的輸出中點通過電容耦合輸出信號.OTL電路是一
關鍵詞: 所屬欄目:音頻功放電路
HT360 免電感濾波2*20W D類立體聲音頻功放
HT360是一款高效D類音頻功率放大器。在14.5V供電的立體聲(BTL)模式下,能夠持續提供2*20W/4Ω功率輸出;在單聲道(PBTL)模式下,能夠持續提供30W/4Ω功率輸出。
關鍵詞: 所屬欄目:音頻功放電路
20W+20W立體聲放大器原理圖
該20W+20W立體聲放大器由兩個完整而分立的20W RNS橋式放大器組成。輸入信號經過R1、R2和P1(電位器)構成的分壓網絡送入放大器。R1是信號源與地之間的負載阻抗,R2信號耦合到電位器P1。該信號由電容器C1到C2。
關鍵詞:功放集成電路音響電路圖 所屬欄目:音頻功放電路
AK4621構成的24位立體聲音頻CODEC電路
AK4621是高性能 24位立體聲音頻CODEC,支持192kHz錄音和播放,器件具有兩路24位ADC和24位DAC,全差分輸入和可選擇的數字濾波器(數字濾波器是一個離散時間系統(按預定的算法,將輸入離散時間信號轉換為所要求的輸
關鍵詞: 所屬欄目:音頻功放電路
基于TDA1521的立體聲一體化有源音箱電路
基于TDA1521的立體聲一體化有源音箱電路如圖。有源音箱是功放和無源音箱的有機結合體,在多媒體上得到廣泛應用。有源音箱省去功放外殼,節省空間,減少外接線路,省去與VCD等音源所重復的功能和電路(如卡拉OK電
關鍵詞: 所屬欄目:音頻功放電路
3D音響立體聲功放基于LM4832的設計
LM4832是單片集成電路,提供立體聲音頻功率放大器、音調(高音和低音)和音量控制,能夠輸出250mW功率帶動8Ω負載,或輸出90mW功率帶動32Ω負載,總諧波失真及噪聲(THD N)低于1.0%。LM4832有兩個輸入話筒前置
關鍵詞:功放集成電路重低音電路圖AV放大器電路 所屬欄目:音頻功放電路
高保真鎖相環調頻立體聲的無線發射機電路
發射機就是可以將信號按一定頻率發射出去的裝置。是一個比較籠統的概念。廣泛應用與電視,廣播,雷達等各種民用,軍用設備。主要可分為調頻發射機,調幅發射機,光發射機,哈里斯發射機等多種類型。 :
關鍵詞: 所屬欄目:音頻功放電路
OTL功率放大電路及原理
OTL電路為單端推挽式無輸出變壓器功率放大電路。通常采用電源供電,從兩組串聯的輸出中點通過電容耦合輸出信號。OTL電路不再用輸出變壓器,而采用輸出電容與負載連接的互補對稱功率放大電路,使電路輕便、適于電
關鍵詞:音頻放大器電路圖AV放大器電路 所屬欄目:音頻功放電路
LM1876立體聲功率放大器引腳功能
LM1876是立體聲音頻功率放大器,每個通道能夠輸出20W連續平均功率,帶動4Ω或8Ω負載,總諧波失真及噪聲(THDN)低于0.1%;由外部邏輯控制,每個放大器都有一個獨立的平滑過渡漸現/漸隱靜噪模式和節省功率的待機
關鍵詞:功放集成電路 所屬欄目:音頻功放電路
基于OTL立體聲功放機(20WX2)的電路原理圖
OCL電路,它具有穩定性高、頻響范圍寬、保真度好等優點,在高傳真放聲設備中常采用這種電路。OCL立體聲擴音機適合廣大電子愛好者和音響發燒友裝配使用。 如圖揚聲器與放大器的輸出端是直接耦合,中間省掉了隔
關鍵詞: 所屬欄目:音頻功放電路
高質量的立體聲無線麥克風音頻電路原理圖
如圖所示電路是立體聲調頻無線麥克風,我們測試它超過50米,它的音響,提供出乎意料的好音質。 :
關鍵詞: 所屬欄目:音頻功放電路
基于TA2022的立體聲功率放大電路
該器件輸出級以雙電源供電,電源電壓范圍為VPP:+23.6V-+36V;VNN;-22.4V—-36.6V。每個通道在4Ω負載上輸出可達100W功率。在25W時具有0.015%THD,60W時上升至0.1%。具備抑制開通。關斷噪聲、中點電壓調節、
關鍵詞: 所屬欄目:音頻功放電路
LM4916單聲道立體聲耳機放大電路原理圖
LM4916是具有兩個單聲道差動輸出音頻功率放大器(電橋或BTL負載)和單端(SE)立體聲耳機放大器,主要用于移動電話和其他便攜式音頻設備。LM4916采用1.5V電源供電,單聲道BTL模式能夠輸出85mW連續平均功率帶動8Ω負
關鍵詞: 所屬欄目:音頻功放電路
CS3511應用于立體聲高效D類音頻功率放大電路
CS3511是立體聲10W高效D類音頻功率放大器,不需要散熱器。CS3511集成了過流,過壓和超溫保護以及誤差報告。 系統級動態范圍為99dB,5W輸出時的THD+N為0.025%,通路間隔離為-104dB,單電源9-12V工作,主要用于
關鍵詞:音響電路圖音頻放大器電路圖AV放大器電路 所屬欄目:音頻功放電路
單片立體聲放音某成電路
LA4570是日本三洋公司推出的放音機專用集成電路。國產、國內組裝或進口的單放機及收放機中,都應用LA4570的機型。 1·以4570內電路方框圖及引腳功能 LA4570集成塊是雙前置放大雙功放器件,具有電源電壓
關鍵詞:功放集成電路 所屬欄目:音頻功放電路
LA458lMB-單片立體聲放音集成電路圖
LA458lMB是日本三洋公司生產的單片放音集成電路,在愛華HS-T系列機型、索尼FX系列機型、三洋的GP系列機型的隨身聽中應用較廣泛。 l·LA458lMB內電路方框圖及引腳功能 LA4581MB集成電路除具有一般立體聲放
關鍵詞:功放集成電路 所屬欄目:音頻功放電路