555定時器是美國Signetics公司1972年研制的用于取代機械式定時器的中規模集成電路,因輸入端設計有三個5kΩ的電阻而得名。此電路后來竟風靡世界。目前,流行的產品主要有4個:BJT兩個:555,556(含有兩個555);CMOS兩個:7555,7556(含有兩個7555)。

初識555定時器
555定時器是一種模擬和數字功能相結合的中規模集成器件。一般用雙極型(TTL)工藝制作的稱為 555,用 互補金屬氧化物(CMOS )工藝制作的稱為 7555,除單定時器外,還有對應的雙定時器 556/7556。555 定時器的電源電壓范圍寬,可在 4.5V~16V 工作,7555 可在 3~18V 工作,輸出驅動電流約為 200mA,因而其輸出可與 TTL、CMOS 或者模擬電路電平兼容。
555 芯片是極其多用途的芯片,有著多達數百的不同應用包括時基計時或是開關以及電壓控制的振蕩器和調節器。
對于接觸過數字電路或者模擬電路的人來說,555芯片絕對算的上是經典的。憑借著其低廉的成本和可靠的性能,廣泛的被應用到各種電器上,包括儀器儀表、家用電器、電動玩具、自動控制。

555定時器的引腳圖
它的各個引腳功能如下:
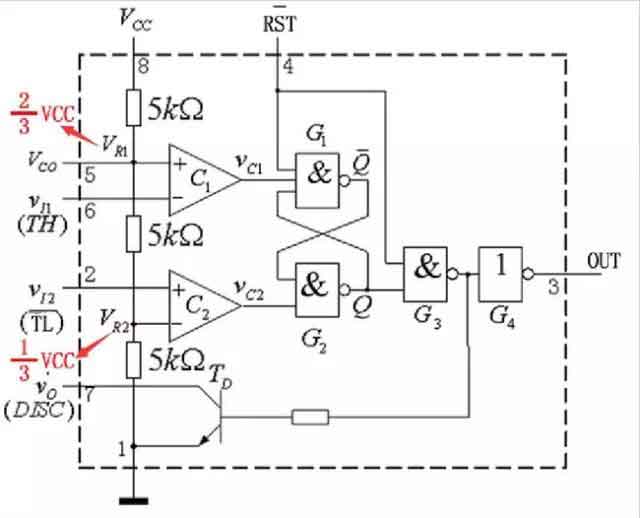
1腳:外接電源負端VSS或接地,一般情況下接地。
2腳:低觸發端TL,該腳電壓小于1/3 VCC時有效。
3腳:輸出端OUT。
4腳:直接清零端RST。當此端接低電平時,則時基電路不工作,此時不論TL、TH處于何電平,時基電路輸出為“0”,該端正常工作時應接高電平。
5腳:CO為控制電壓端。若此腳外接電壓,則可改變內部兩個比較器的基準電壓,當該腳不用時,應將該腳串入一只0.01μF(103)瓷片電容接地,以防引入高頻干擾。
6腳:高觸發端TH,該腳電壓大于2/3 VCC時有效。
7腳:放電端。該端與放電管T的集電極相連,用做定時器時電容的放電引腳。
8腳:外接電源VCC,雙極型時基電路VCC的范圍是4.5 -16V,CMOS型時基電路VCC的范圍為3-18V,一般用5V。
555定時器的內部結構
它內部包括兩個電壓比較器,三個5K等值串聯電阻,一個 RS 觸發器(由G1和G2構成),一個放電三極管T 及功率輸出級。它提供兩個基準電壓VR2(1/3 VCC) 和VR1(2/3 VCC),如下圖所示。

555 定時器的功能主要由兩個比較器決定。兩個比較器的輸出電壓控制RS 觸發器和放電管T的狀態。在電源與地之間加上電壓,且當5腳懸空時,則電壓比較器 C1 的同相輸入端的電壓為2/3VCC,C2反相輸入端的電壓為1/3VCC。若低觸發輸入端 TL的電壓小于1/3 VCC,則比較器C2的輸出為 0,可使 RS 觸發器置 1,使輸出端 OUT=1,即輸出高電平。如果高觸發端TH的電壓大于 2/3 VCC,同時 TR端的電壓大于1/3 VCC,則 C1 的輸出為 0,C2 的輸出為 1,可將 RS 觸發器置 0,使輸出端OUT=0,即輸出低電平。
綜上所述,在8腳接電源VCC,1腳接地,5腳未外接電壓的條件下,555時基電路的邏輯功能表如下:

555定時器三種工作模式
1、單穩態模式
在此模式下,555功能為單次觸發。應用范圍包括定時器,脈沖丟失檢測,反彈跳開關,輕觸開關,分頻器,電容測量,脈沖寬度調制(PWM)等
2、無穩態模式
在此模式下,555以振蕩器的方式工作。這一工作模式下的555芯片常被用于頻閃燈、脈沖發生器、邏輯電路時鐘、音調發生器、脈沖位置調制(PPM)等電路中。如果使用熱敏電阻作為定時電阻,555可構成溫度傳感器,其輸出信號的頻率由溫度決定
3、雙穩態模式
在DIS引腳空置且不外接電容的情況下,555的工作方式類似于一個RS觸發器,可用于構成鎖存開關
555可實現的功能
1、單穩態觸發器(用于定時延時整形及一些定時開關中)
2、多諧振蕩器(組成信號產生電路)
3、施密特觸發器(用于TTL系統的接口,整形電路或脈沖鑒幅)
555常見應用及原理解析
單穩類電路
單穩工作方式,它可分為3種。見圖示。
第1種(圖1)是人工啟動單穩,又因為定時電阻定時電容位置不同而分為2個不同的單元,并分別以1.1.1 和1.1.2為代號。他們的輸入端的形式,也就是電路的結構特點是:“RT-6.2-CT”和“CT-6.2-RT”。

第2種(圖2)是脈沖啟動型單穩,也可以分為2個不同的單元。他們的輸入特點都是“RT-7.6-CT”,都是從2端輸入。1.2.1電路的2端不帶任何元件,具有最簡單的形式;1.2.2電路則帶有一個RC微分電路。容-源-電-子-網-為你提供技術支持
本文地址:http://www.gsdpw.cn/ic/15500395653136.shtml
本文標簽:
猜你感興趣:
路燈定時器怎么調時間?
關鍵詞: 所屬欄目:開關電源電路圖
發光字定時器怎么調?
關鍵詞: 所屬欄目:開關電源電路圖
220V遠程開關定時器怎么控制380V用電器?
220V遠程開關定時器想要控制380V用電器,不能直接接線,需要添加交流接觸器,用220V遠程開關定時器控制交流接觸器,交流接觸器控制380V用電器。遠程定時開關220V遠程定時開
關鍵詞: 所屬欄目:開關電源電路圖
遠程開關定時器怎么接線?
遠程開關定時器:4G網絡信號,遠程控制不限距離,無需下載APP,手機小程序實現遠距離對開關的控制,網絡自動校時,可設置自動定時開、關,也可以本地時鐘定時,設置好定時在
關鍵詞: 所屬欄目:開關電源電路圖
使用開關定時器有哪些注意事項?
關鍵詞: 所屬欄目:開關電源電路圖
微電腦時控開關定時器怎么設置定時時間?
關鍵詞: 所屬欄目:開關電源電路圖
PW1555應用電路-代理商
PW1555是一個可編程的限流開關,具有輸入電壓范圍選擇和輸出電壓鉗位。集成保護N溝FET的極低RDS(ON)有助于減少正常運行時的功率損耗。可編程軟啟動時間控制轉換率,在啟動
關鍵詞: 所屬欄目:元器件知識
使用555制作全自動電冰箱保護器電路
使用555制作全自動電冰箱保護器電路
當交流電網電壓超過正常值240V時,RP1取樣電壓增高,VD10擊穿,VT導通,其集電極輸出低電平,VD7導通,使IC的觸發端2腳處于低電平
關鍵詞: 所屬欄目:其他文章
NE555制作過壓過流保護電路及原理圖
NE555制作過壓過流保護電路及原理圖 當電源供給電壓或負載吸取的電流太大時,下圖電路可斷開負載給出故障指示。正常工作時,Tr1和Tr2均截至,555復位,555中的放電晶體管
關鍵詞:過壓保護電路過流保護電路 所屬欄目:電子基礎
藍牙定時器怎么連接交流接觸器?
藍牙定時開關控制總功率為660W,所以當控制總功率>660W的時候,需要添加交流接觸器,以免開關被燒壞。
關鍵詞:電機控制 所屬欄目:開關電源電路圖
555逆變驅動電路圖-最簡單12v轉220v逆變器制作
555逆變驅動電路圖-最簡單12v轉220v逆變器制作
關鍵詞: 所屬欄目:逆變器電路圖
ne555+13005逆變電路圖
ne555+13005逆變電路圖
逆變器電路圖有很多種,采用不同的控制方式可以得到不同的電路及輸出功率及頻率,本文介紹的是用13005逆變電路圖,13005主要作用是功率開關管,1
關鍵詞: 所屬欄目:電源電路
4060定時器制作
這是CMOS CD4060的電子計時器,它是CMOS 14級紋波傳送二進制計數器/分頻器和振蕩器。輸出QN是計數器的第n級,代表2 Ñ,例如Q4是2 4 = 16(1 / 16的時鐘頻率)和Q14是
關鍵詞: 所屬欄目:電子基礎
定時器電路
定時器是一個多任務定時提醒軟件,安裝于電腦上。它全面支持WINDOWS 9X/ME/NT/2K/XP按時執行程序、播放聲音、關機、待機、撥號、斷開連接、關閉顯示器等等操作。具有多種設定任務的方法。支持SKIN,可以隨意更換
關鍵詞: 所屬欄目:音頻功放電路
LM393與NE555組成電池充電器電路
LM393與NE555組成電池充電器電路具有成本效益的鎳鎘電池充電器LM393的構造如圖所示,它具有以下特點:(1)恒定電流充電散布著大電流di放電時,恒流充電電流約為300mA,放電
關鍵詞: 所屬欄目:電源電路
555集成電路引腳圖管腳圖
555集成定時器是模擬功能和數字邏輯功能相結合的一種雙極型中規模集成器件。外加電阻、電容可以組成性能穩定而精確的多諧振蕩器、單穩電路、施密特觸發器等,應用十分廣泛。555集成電路引腳圖管腳圖 :
關鍵詞: 所屬欄目:音頻功放電路
555制作汽車音響揚聲器保護電路原理圖
揚聲器保護電路如圖1所示。主要由中點電位檢測電路、延時電路及繼電器等組成。電路工作過程是: 在接通音響電源的瞬間,因電容C3兩端電壓不能突變,可視為短路,則時基電路555的②、⑥腳電位高于2/3 Vcc,故
關鍵詞: 所屬欄目:音頻功放電路
NE555與TDA1521共同組成的D類數字功放電路
NE555時基IC被接成振蕩頻率120KHz、占空比50%的方波振蕩器。由于IC都是工作于開關狀態,因而可以高效率地輸出大功率。音頻信號由5腳輸入時,3腳的輸出信號占空比就會隨著輸入音頻信號的幅值高低而作線性
關鍵詞: 所屬欄目:音頻功放電路
自制一款窗簾定時器裝置
此裝置的電路如附圖所示。 一、工作原理 1.當定時器1定時開啟,電機開啟、窗簾關閉、窗簾到頭,行程開關1常閉點斷開,而常開點關閉,下一組窗簾盒開始關閉,如此可
關鍵詞: 所屬欄目:電子制作
傳感器激活繼電器脈沖
一個傳感器打開Q1來激活低頻555振蕩器,這會脈沖電燈I1。傳感器對于改變光線或者溫度是很敏感的。 :
關鍵詞: 所屬欄目:傳感器技術