一、PCB布線與紋波關系
布局:脈沖電壓連線盡可能短,其中輸入開關管到變壓器連線,輸出變壓器到整流管連接線。脈沖電流環路盡可能小如輸入濾波電容正到變壓器到開關管返回電容負。輸出部分變壓器出端到整流管到輸出電感到輸出電容返回變壓器電路中X電容要盡量接近開關電源輸入端,輸入線應避免與其他電路平行,應避開。 Y電容應放置在機殼接地端子或FG連接端。共摸電感應與變壓器保持一定距離,以避免磁偶合。如不好處理可在共摸電感與變壓器間加一屏蔽,以上幾項對開關電源的EMC性能影響較大。
輸出電容一般可采用兩只一只靠近整流管另一只應靠近輸出端子,可影響電源輸出紋波指標,兩只小容量電容并聯效果應優于用一只大容量電容。發熱器件要和電解電容保持一定距離,以延長整機壽命,電解電容是開關電源壽命的瓶勁,如變壓器、功率管、大功率電阻要和電解保持距離,電解之間也須留出散熱空間,條件允許可將其放置在進風口。
總的講這三種手段都是增大PCB的電流承載能力,我覺得走線第一位的是縮短長度,這樣是減小板上寄生電感的最有效辦法。
如果長度定了 在綜合考慮的話,搪錫 是最可取的 :搪錫對于設計者容易實現,只要在阻焊層上開窗就行了,不用和PCB廠商最什么特殊接洽也沒有附加費用,默認的PCB防氧化工藝就是熱風整平,就是噴上錫用熱風吹一下。 搪錫的缺點是 裸露容易短路。
增加銅箔厚度的話 就需要使用特殊的板料,一般都是1oz的板材。如果需要加厚一般采用二次覆銅,二次銅皮強度低容易剝離。需要與PCB廠家說明同時可能需要增加費用。
大面積覆銅,對于電壓變化不頻繁的網絡可以,比如地線,或者穩壓輸出端,對于開關動作中電壓波動大的地方不適合大面積覆銅,這樣變化的電場回產生磁場,磁場再產生電場。對就是電磁輻射。那就是空間干擾。同樣影響性能。
二、開關電源紋波的產生
開關電源紋波的產生
我們最終的目的是要把輸出紋波降低到可以忍受的程度,達到這個目的最根本的解決方法就是要盡量避免紋波的產生,首先要清楚開關電源紋波的種類和產生原因。

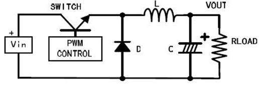
上圖是開關電源中最簡單的拓撲結構-buck降壓型電源。
隨著SWITCH的開關,電感L中的電流也是在輸出電流的有效值上下波動的。所以在輸出端也會出現一個與SWITCH同頻率的紋波,一般所說的紋波就是指這個。它與輸出電容的容量和ESR有關系。這個紋波的頻率與開關電源相同,為幾十到幾百KHz。
另外,SWITCH一般選用雙極性晶體管或者MOSFET,不管是哪種,在其導通和截止的時候,都會有一個上升時間和下降時間。這時候在電路中就會出現一個與SWITCH上升下降時間的頻率相同或者奇數倍頻的噪聲,一般為幾十MHz。同樣二極管D在反向恢復瞬間,其等效電路為電阻電容和電感的串聯,會引起諧振,產生的噪聲頻率也為幾十MHz。這兩種噪聲一般叫做高頻噪聲,幅值通常要比紋波大得多。

如果是AC/DC變換器,除了上述兩種紋波(噪聲)以外,還有AC噪聲,頻率是輸入AC電源的頻率,為50~60Hz左右。還有一種共模噪聲,是由于很多開關電源的功率器件使用外殼作為散熱器,產生的等效電容導致的。
三、開關電源紋波的測量
基本要求:
使用示波器AC耦合
20MHz帶寬限制
拔掉探頭的地線
1,AC耦合是去掉疊加的直流電壓,得到準確的波形。
2,打開20MHz帶寬限制是防止高頻噪聲的干擾,防止測出錯誤的結果。因為高頻成分幅值較大,測量的時候應除去。
3,拔掉示波器探頭的接地夾,使用接地環測量,是為了減少干擾。很多部門沒有接地環,如果誤差允許也直接用探頭的接地夾測量。但在判斷是否合格時要考慮這個因素。
還有一點是要使用50Ω終端。橫河示波器的資料上介紹說,50Ω模塊是除去DC成分,精確測量AC成分。但是很少有示波器配這種專門的探頭,大多數情況是使用標配100KΩ到10MΩ的探頭測量,影響暫時不清楚。
上面是測量開關紋波時基本的注意事項。如果示波器探頭不是直接接觸輸出點,應該用雙絞線,或者50Ω同軸電纜方式測量。
在測量高頻噪聲時,使用示波器的全通帶,一般為幾百兆到GHz級別。其他與上述相同。可能不同的公司有不同的測試方法。歸根到底第一要清楚自己的測試結果。第二要得到客戶認可
關于示波器:
有些數字示波器因為干擾和存儲深度的原因,無法正確的測量出紋波。這時應更換示波器。這方面有時候雖然老的模擬示波器帶寬只有幾十兆,但表現要比數字示波器好。
四、開關電源紋波的抑制
對于開關紋波,理論上和實際上都是一定存在的。通常抑制或減少它的做法有三種:容-源-電-子-網-為你提供技術支持
本文地址:http://www.gsdpw.cn/kaiguandianyuan/15500274663134.shtml
本文標簽:
猜你感興趣:
差分晶振怎么測量
有源晶振,晶體振蕩器,晶體諧振器,石英晶體振蕩器,晶振
關鍵詞: 所屬欄目:電子基礎
FP6715 5V、2.5A、550 KHz高效低波紋同步升壓轉換器
關鍵詞: 所屬欄目:元器件知識
氧含量測量方法:燃料電池法
氧含量檢測廣泛應用于熱能、冶金、化學化工、氣體生產和電子工業等眾多領域。隨著氣體分析儀器的不斷發展,相比手工分析方法,氧氣體分析儀具有準確度高、穩定性好、響應
關鍵詞: 所屬欄目:其他文章
氧含量測量方法:順磁法
氧氣和其他氣體不同,它的磁化率要比其他氣體高出許多,因此氧氣和其他氣體組合成的混合氣體的磁化率是混合氣體中氧氣所占百分比來決定的,同理如果對氣體磁化率進行測定
關鍵詞: 所屬欄目:其他文章
如何測量電感電流之最佳方法
如何測量電感電流之最佳方法
開關電源通常使用電感來臨時儲能。在評估這些電源時,測量電感電流通常有助于了解完整的電壓轉換電路。但測量電感電流的最佳方法是什么?圖1以
關鍵詞: 所屬欄目:電子基礎
開關電源散熱設計熱衷于導熱硅膠片的原因及應用方式
在對電源散熱設計時,散熱這一塊就成了電源設計中非常重要的一個環節。電源散熱設計中常用的幾種方法有:使用被動散熱,如:散熱器、冷卻風扇,金屬PCB,導熱材料(導熱硅膠片)等。
關鍵詞: 所屬欄目:開關電源電路圖
貼片三極管如何測量?測三極管的口訣
大家知道,三極管是含有兩個PN結的半導體器件。根據兩個PN結連接方式不同,可以分為NPN型和PNP型兩種不同導電類型的三極管。
關鍵詞: 所屬欄目:元器件知識
高精度濕度測量傳感器模塊在空調領域的應用
空調即空氣調節器(Air Conditioner)。是指用人工手段,對建筑或構筑物內環境空氣的溫度、濕度、流速等參數進行調節和控制的設備。
關鍵詞: 所屬欄目:傳感器技術
光纖壓力傳感器FOP-M在礦井測量氣壓應用
礦井是形成地下煤礦生產系統的井巷、硐室、裝備、地面建筑物和構筑物的總稱。有時把礦山地下開拓中的斜井、豎井、平硐等也稱為礦井。每一個礦井的井田范圍大小、礦井生產能力和服務年限的確定,是礦井自體設計中必須解決好的關鍵問題之一。
關鍵詞: 所屬欄目:傳感器技術
高精度濕度測量傳感器模塊HTW-211用于通訊機房監控環境
機房:舊時手工、絲棉織業的工作場所和生產單位的通稱;現在指電腦學習室;在IT業,機房普遍指的是電信、網通、移動、雙線、電力以及政府或者企業等,存放服務器的,為用戶以及員工提供IT服務的地方。
關鍵詞: 所屬欄目:傳感器技術
紫外分光光度法測量蛋白質的含量
紫外可見分光光度法是在190~760nm波長范圍內測定物質的吸光度,用于鑒別、雜質檢查和定量測定的方法。當光穿過被測物質溶液時,物質對光的吸收程度隨光的波長不同而變化。
關鍵詞: 所屬欄目:傳感器技術
顆粒物傳感器在在線監測儀的測量原理
近年來, PM2.5/PM10/TSP等細顆粒物成為空氣污染的主要因素,多數城市已在開展細顆粒物在線監測工作。由于其價格低廉、攜帶方便等優點,目前顆粒物傳感器受到大眾的青睞。現有的顆粒物傳感器的測量原理有電學原理、光學原理,其中光學原理主要包括紅外和激光。
關鍵詞: 所屬欄目:傳感器技術
高精度濕度測量傳感器模塊用于空調控制板上檢測室內環
隨著現在社會的不斷發展,人們的生活水平也在不斷的提高,生活品質也越來越好,現在幾乎每一個家庭都有安裝空調,空調的出現給我們的生活帶來了很大的方便,使用也是非常方便的,空調里面有一個控制板,空調就是通過控制板進行工作的。
關鍵詞: 所屬欄目:傳感器技術
自制最簡單12V開關電源電路圖(WS157)
自制最簡單12V開關電源電路圖(WS157)
開關電源是利用現代電力電子技術,控制開關管開通和關斷的時間比率,維持穩定輸出電壓的一種電源,開關電源一般由脈沖寬度調制(
關鍵詞:開關穩壓電源 所屬欄目:開關電源電路圖
TL431開關電源電路圖(5V,1A)
TL431開關電源電路圖(5V,1A)
TL431的封裝 圖中是采用TL431構成的開關穩壓電源電路,輸出電壓為+5V,輸出電流為1A,電路的輸出紋波小,變化效率可達82%。TL431,R5與R
關鍵詞:開關穩壓電源 所屬欄目:開關電源電路圖
開關電源TOP261電路圖(筆記本適配器電路)
開關電源TOP261電路圖(筆記本適配器電路)
OPSwitch-HX 源極引腳的輸入濾波電容的負極端采用單點連接到偏置繞組的回路。使電涌電流從偏置繞組直接返回輸入濾波電容,增
關鍵詞:開關穩壓電源充電器電路圖 所屬欄目:開關電源電路圖
TL494芯片設計48V/3A開關電源電路圖
48V3A開關電源電路
TL494是一種固定頻率脈寬調制電路,它包含了開關電源控制所需的全部功能,廣泛應用于單端正激雙管式、半橋式、全橋式開關電源。TL494有SO-16和PDIP
關鍵詞:開關穩壓電源 所屬欄目:開關電源電路圖
UC3842開關電源電路圖
電源電路圖UC3842開關 當NMOS管導通時,初級線圈N1電流線性增大,磁場增強,次級線圈中VD4截止,由電容C10向負載供電;此時,脈沖變壓器原邊回路中VD2亦截止,N1這時起
關鍵詞: 所屬欄目:電源電路
示波器有源探頭對測量的影響有哪些
下圖是典型的有源探頭的前端部分的等效電路圖。放大器前面的連接部分是一段阻抗不受控的連接線,有很多的等效電容和等效電感,這部分對系統帶寬、高頻下的輸入阻抗、頻響特
關鍵詞: 所屬欄目:電子基礎
明緯開關電源常見故障
明緯開關電源常見故障:開關電源是各種電子設備必不可缺的組成部分,其性能優劣直接關系到電子設備的技術指標及能否安全可靠地工作。由于開關電源內部關鍵元器件工作在高頻開
關鍵詞:開關穩壓電源直流穩壓電源穩壓電路 所屬欄目:開關電源電路圖