觸發器有獨立的數據,預置,清除,時鐘
輸入的保護
損壞內部靜電放電到VCC和地二極管鉗位。MM74HCT設備
的接口用于TTL電和NMOS元件和設備的標準CMOS工藝。這些部件也是插件的LS - TTL電替代設備及
于減少電力消耗現有設計。
本文由www.gsdpw.cn整理提供,部分內容來源于網絡,如有侵犯到你的權利請與我們聯系更正。
MM74HCT74M集成電路特點本文由www.gsdpw.cn整理提供,部分內容來源于網絡,如有侵犯到你的權利請與我們聯系更正。
典型傳播延遲:20納秒
低靜態電流:40 mA最大(74HCT系列)
低輸入電流:1 mA最大
扇出10的LS - TTL負載
亞穩態硬化
MM74HCT74M內部電路圖及真值表:

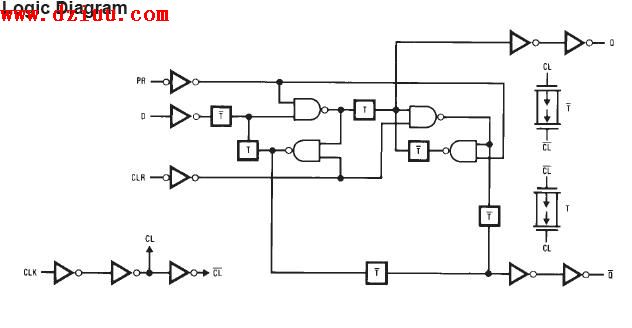
MM74HCT74M邏輯電路圖:

本文地址:http://www.gsdpw.cn/dz/21/20101023221507.shtml
本文標簽:
猜你感興趣:
SAA5542中文資料、引腳功能
無
MM74HCT74M集成電路中文資料及電路圖
無
集成電路的作用
無
什么是集成電路
無