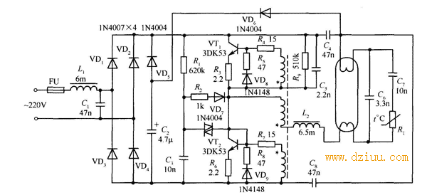
D1~D4和電容C2、C3等構成整流濾波電路,向鎮流器提供直流用電;開關功率三極管BG1、BG2和雙向觸發二級管ST、變壓器T等構成高頻開關波(方波)電路,其中R1、C4和ST組成鋸齒波發生器,用于啟動振蕩電路;方波振蕩電路將直流電變為高頻交流電,用于點燃日光燈,
BG1、BG2工作在開關
,故可獲得很高效率。電感L2和C8、C9等構成串聯諧振電路,其作用是起輝日光燈管和限制燈管工作電流。 本文由www.gsdpw.cn整理提供,部分內容來源于網絡,如有侵犯到你的權利請與我們聯系更正。
接通電源,220V交流電經整流濾波后,輸出約300V直流電壓,該直流電壓經R1對C4進行充電。當C4兩端充電電壓超過ST的轉折電壓(約32V)時,ST導通,給BG2管基極提供一個窄電流脈沖使BG2首先導通。
直流電源通過日光燈管燈絲、 L2和T的繞組n1等形成回路,給C8、C9充電,
脈沖變壓器T的線圈n1對n2和反向線圈n3的感應耦合作用,n2產生的感應電壓將使BG1導通,而n3上的感應電壓將使BG2截至。故C8、C9又通過L2、n1和BG1形成放電回路。如此反復循環,BG1、BG2輪流導通,很快形成頻率約25kHz的自動激振蕩。 本文由www.gsdpw.cn整理提供,部分內容來源于網絡,如有侵犯到你的權利請與我們聯系更正。

電路起振后,C4經D8和GB1不停地放電,使ST不再產生觸發電壓,即鋸齒發生器停止工作。
,高頻振蕩信號很快使C8、C9和L2等構成的串聯電路發生諧振,
C8容量遠大于C9容量,
在C9兩端產生足夠高(約500-600V)的諧振電壓,使燈管一次性啟動點亮。
燈一旦被點亮,LC串聯電路則失諧,燈管兩端電壓將為100V左右,L2只起限流作用,C8則起隔直作用,C9通過的極小電流對燈絲起輔助加熱作用。
,當BG2由導通變為截至時,L2的自感電壓與電源整流后的電壓疊加在一起,會使BG2承受上千伏的高頻電壓,
使三極管擊穿,C7則可有效降低
電壓。
本文地址:http://www.gsdpw.cn/dz/21/2010104212742.shtml
本文標簽:
猜你感興趣:
日光燈電子整流器電路工作原理及電路圖
無