有一個測量位置變化的位置傳感器,我用萬用表電壓檔測量傳感器的輸出信號,結果顯示的是模擬量信號,即位置和信號輸出大小呈線性關系。但是,我用示波器(Picoscope 4227)測量傳感器的輸出信號,顯示的卻是PWM信號(脈寬調制),即位置不同,輸出PWM信號的占空比不同。
PWM信號的參數是:200 Hz, 低電平為0V,高電平為18V。
現在可以確定,我的傳感器輸出信號是PWM信號。PWM信號需要輸入到控制器I/O中,但是控制器I/O口不具備直接采集PWM信號的功能。
二、解決方案:
設計個電路,將PWM信號轉化為模擬量信號,然后將轉換后的模擬量信號輸入到控制器模擬量I/O口。
三、轉換電路
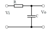
1. 二階壓控有源低通濾波電路。
設計一個深度濾波電路。濾波電路圖為:

低通濾波頻率公式為:f=1/(2π*RC),我最后選擇R=1K,C=10uf,算出的低通截止頻率f=15.9HZ。
濾波電路后端是一個運算放大器,放大倍數公式:A=1+Rf/R1。我不希望電壓被放大,所以我選擇A=1.1。又因為R1//Rf=2R(R1,Rf兩者并聯的值等于R串聯值),最終:Rf=220歐,R1=2.2k,R=1k。
2. 積分電路(無源濾波電路)
低通濾波電路前面是一個二級積分電路(將兩個電容都接地),R=1K,C=10uf。下圖是一級積分電路,設計的積分電路是將兩個下圖電路串聯構成二級積分積分:

為驗證電路效果進行的測試,我使用的設備是PicoScope4227,由于該設備最大只能生成正負1V的電壓信號,就生成了幅值為1V(低電平0V,高電平1V),頻率為200HZ的PWM信號作為積分電路的輸入信號。各種效果圖如下:
1、示波器直接采集發生器生成的PWM信號,波形如下:

2、示波器從二階濾波電路輸入端采集信號,波形如下。發現該號波形與上圖的波形相比已經發生了變化。

3.示波器從一階濾波電路輸出端中采集到的信號波形,即濾波電路從左往右數,第一個電阻與第一個電容交點的輸出波形:

4、濾波器從二階濾波電路輸出端采集到的信號波形,即最終輸出信號波形

5、最終輸出波形的參數:

四、問題
1:為什么萬用表電壓檔測量傳感器輸出信號,結果是模擬量信號,而示波器看到的是PWM信號?我該相信哪個結果?
答:這個問題牽涉到測量輸入口的分辨率問題。萬用表輸入口的分辨率低(通過此例看低于200HZ),而示波器輸入口的分辨率高,可達幾千,甚至幾兆赫茲頻率,所以輸出的結果不同。我們要相信示波器顯示的結果。我理解PWM信號本質還是希望達到模擬量的效果,只是表現形式不同。
2:關于計算公式
答:在低通濾波電路中,有個頻率公式f=1/(2π*RC), 它計算的是低通截止頻率(-3dB)。而在積分電路中,有個公式T=RC。 這個 T 是指電容充放電需要的時間。選取 T 時,根據一般經驗公式,T>10 * T'(T'表示信號周期)。
在本例的積分電路中,RC=10ms,只有兩倍的信號周期,但是通過測試,信號效果還是比較理想的。如果將更多的積分電路串聯,效果會更好。
3:PWM 信號被控制器采集還有其他方案嗎?
答:方案一:將PWM信號倍頻,就是提高PWM信號的頻率,但是占空比不變化。PWM倍頻后的頻率大于控制器I/O的分辨率,就可以被控制器默認為做模擬量,從而可以輸入到模擬量I/O。
方案二:通過軟件辦法計算PWM的占空比。在控制器中編寫程序,首先定時,測量這段時間內PWM信號中高電平的時間,從而計算出占空比。
容-源-電-子-網-為你提供技術支持本文地址:http://www.gsdpw.cn/dz/23/15477102153094.shtml
本文標簽:
猜你感興趣:
PS7516 2.5A高效同步PWM增壓轉換器
關鍵詞: 所屬欄目:元器件知識
PL7512A 非同步的PWM提升轉換器
關鍵詞: 所屬欄目:元器件知識
SD6271 1MHz,2A升壓電流模式PWM轉換器
一般說明
SD6271是一個電流模式升壓DC-DC轉換器。它的PWM電路內置0.25Q功率MOSFET使該調節器高效。內部補償網絡還最小化多達6個外部組件計數。誤差放大器的非反相輸入連接到一個0.6V的精度參考電壓,其整數啟動功能可以降低涌入電流。
SD6271可在“SOT23-6L”軟件包中使用,并為應用程序領域提供了節省空間的PCB。
關鍵詞: 所屬欄目:集成塊資料
無源型模擬信號隔離變送器現場選配方案
無源,在電子方面指電路中無需加電源即可在有信號時工作,通常將無需電源就可以工作的器件稱為無源器件,電路中常用的無源元件主要是二極管、電阻類、電感類和電容類等元件。電路中需要外接輔助電源才能正常工作的器件叫有源器件,有源器件一般用來將信號隔離放大、轉換變送等。常用的有源器件有三極管、功率放大器、信號變送器、隔離放大器、場效應管、晶閘管等器件。順源科技根據當前工業互聯網對工業現場的各種傳感器、變送器與PLC、DCS系統的匹配需要,推出一系列低成本、小體積無源型(無需外接輔助電源)模擬信號隔離變送器方案,提供給
關鍵詞: 所屬欄目:集成塊資料
昆侖通態觸摸屏無線采集4-20mA模擬量信號有效距離5KM
本方案是昆侖通態觸摸屏與4臺DTD433FC無線模擬量信號測試終端進行無線 Modbus 通信的實現方法。本方案中昆侖通態觸摸屏作為主站顯示各從站的模擬量信號,傳感器、DCS、PLC、
關鍵詞: 所屬欄目:元器件知識
基于CD4066四雙向模擬開關設計音頻功放電路
CD4066是四雙向模擬開關,主要用作模擬或數字信號的多路傳輸。引出端排列與CC4016一致,但具有比較低的導通阻抗。另外,導通阻抗在整個輸入信號范圍內基本不變。CD4066由四個相互獨立的雙向開關組成,每個開關有
關鍵詞: 所屬欄目:音頻功放電路
簡易PWM方式的功率放大電路
如圖所示是PWM方式的功率放大電路實例圖。功率放大電路是一種以輸出較大功率為目的的放大電路。它一般直接驅動負載,帶載能力要強。要求輸出功率盡可能大為了獲得大的功率輸出,要求功放管的電壓和電流都有足夠
關鍵詞: 所屬欄目:音頻功放電路
TL494搭建的PWM直流電機調速電路
TL494搭建的PWM直流電機調速電路.下圖為使用TL494搭建的PWM直流電機調速電路.電路看起來復雜些,使用兩只場效應管并聯驅動輸出,可驅動功率較大的電機.
關鍵詞:電機控制穩壓集成電路 所屬欄目:電子制作
基于PWM的LED照明功率控制系統設計
發光二極管(LED)已迅速成為許多照明應用的首選。 LED制造商對效率和亮度的改進意味著從汽車前照燈到倉庫和工廠照明等應用幾乎沒有其他同等選擇。 LED相對于其他選項的一個
關鍵詞:LEDLED電路圖LED照明電路 所屬欄目:led
一種實現LED模擬調光電源的電路
現在實現LED調光有兩種最常見的方式:脈沖寬度調變調光 (PWM Dimming) 與模擬 調光 (Analog Dimming) .模擬調光通過改變LED燈電流幅值來調整燈的亮度。顯然,電流越 大,LED越亮;
關鍵詞:LEDLED電路圖 所屬欄目:led
TCA780逆變器PWM控制電路圖
采用TCA780集成芯片簡單構成PWM電路。逆變器的反饋電壓經誤差放大器A1放大后輸入到PWM電路中。NE555是產生同步信號的振蕩器,振蕩頻率是輸出頻率的2倍。輸出頻率為50 Hz時,振蕩頻率為1
關鍵詞:逆變器 所屬欄目:逆變器電路圖
介紹數字供電與模擬供電的區別
無
關鍵詞: 所屬欄目:電源電路
SPWM穩頻穩壓逆變電源
無
關鍵詞: 所屬欄目:電源電路
數字功放和模擬功放的區別及優缺點對比
無
關鍵詞: 所屬欄目:家電維修
基于UC3842a的PWM開關電源工作原理
轉:采用PWM的電壓反相器
無
關鍵詞: 所屬欄目:電源電路
研究三電平PWM整流器雙閉環控制系統
無
關鍵詞: 所屬欄目:設計編程
拓撲電路及ZCT-PWM變換器拓撲電路
無
關鍵詞: 所屬欄目:其他文章
基于PWM電流型DC/DC變換器的研究
無
關鍵詞: 所屬欄目:電源電路
介紹模擬信號和模擬電路
無
關鍵詞: 所屬欄目:其他文章