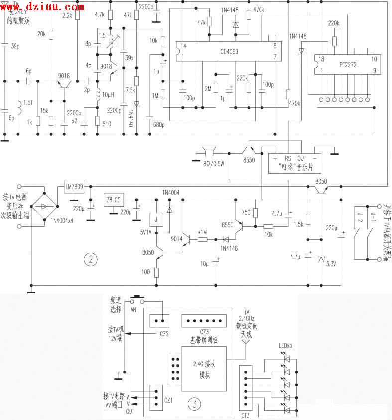
介紹一款無線可視門鈴電路
,對于
用戶
,
門鈴不
可視功能,但是對于特殊要求的用戶來,可視功能且很有用。下面為你提供電路可視門鈴電路圖。本文由www.gsdpw.cn整理提供,部分內容來源于網絡,如有侵犯到你的權利請與我們聯系更正。
本文由www.gsdpw.cn整理提供,部分內容來源于網絡,如有侵犯到你的權利請與我們聯系更正。

本文地址:http://www.gsdpw.cn/dz/25/20101118210021.shtml
本文標簽:
猜你感興趣:
自制無線可視門鈴電路(一)
無