本文介紹收音機專用集成電路KA22425D中文資料及電路圖:本文由www.gsdpw.cn整理提供,部分內容來源于網絡,如有侵犯到你的權利請與我們聯系更正。
集成電路參數:
工作電壓:Vcc 2V~7.5V
工作電流:FM下,5.3mA AM,3.4mA
負載電阻:8歐
工作溫度:-20~70度。本文由www.gsdpw.cn整理提供,部分內容來源于網絡,如有侵犯到你的權利請與我們聯系更正。
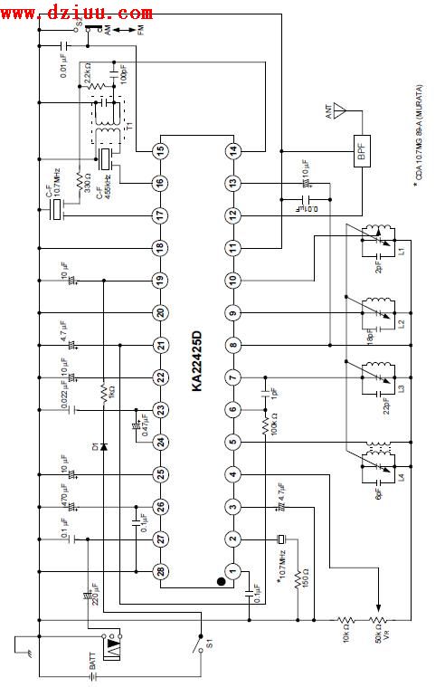
KA22425D引腳功能圖:

KA22425D典型應用電路

本文地址:http://www.gsdpw.cn/dz/25/201125202859.shtml
本文標簽: