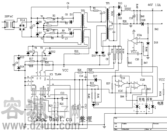
還有一部分充電器也具有防反接,防短路的功能,其原理與前面介紹的不同,其低壓電路的啟動電壓由被充電池提供,且接有一個二極管(防反接)。待電源正常啟動后,就由充電器提供低壓工作電源。
這種充電器的控制芯片一般是以TL494為核心,推動2只13007高壓三極管。配合LM324(4運算放大器),實現三階段充電。
220V交流電經D1-D4整流,C5濾波得到300V左右直流電。
此電壓給C4充電,經TF1高壓繞組,TF2主繞組,V2等形成啟動電流。TF2反饋繞組產生感應電壓,使V1,V2輪流導通。因此在TF1低壓供電繞組產生電壓,經D9,D10整流,C8濾波,給TL494,LM324,V3,V4等供電。此時輸出電壓較低。TL494啟動后其8腳,11腳輪流輸出脈沖,推動V3,V4,經TF2反饋繞組激勵V1,V2。使V1,V2,由自激狀態轉入受控狀態。TF2輸出繞組電壓上升,此電壓經R29,R26,R27分壓后反饋給TL494的1腳(電壓反饋)使輸出電壓穩定在41.2V上。R30是電流取樣電阻,充電時R30產生壓降。此電壓經R11,R12反饋給TL494的15腳(電流反饋)使充電電流恒定在1.8A左右。另外充電電流在D20上產生壓降,經R42到達LM324的3腳。使2腳輸出高電壓點亮充電燈,同時7腳輸出低電壓,浮充燈熄滅。充電器進入恒流充電階段。而且7腳低電壓拉低D19陽極的電壓。使TL494的1腳電壓降低,這將導致充電器最高輸出電壓達到44.8V。當電池電壓上升至44.8V時,進入恒壓階段。
當充電電流降低到0.3A—0.4A時LM324的3腳電壓降低,1腳輸出低電壓,充電燈熄滅。同時7腳輸出高電壓,浮充燈點亮。而且7腳高電壓抬高D19陽極的電壓。使TL494的1腳電壓上升,這將導致充電器輸出電壓降低到41.2V上。充電器進入浮充。
本文地址:http://www.gsdpw.cn/dz/26/15475300843084.shtml
本文標簽:
猜你感興趣:
驅動電動車儀表的關鍵選擇—YXC揚興科技 YSX321SL 石英
YSX321SL石英諧振器的核心特點是其頻率穩定性和精確性。采用27.12MHz頻率,經過精密設計和優化,常溫頻差僅為±10PPM,能夠提供高精度的時鐘信號輸出。這為電動車儀表提供了準確可靠的時間參考,使得儀表顯示更加精準,功能操作更加流暢。
關鍵詞: 所屬欄目:電子基礎
TP4055 500mA 線性鋰離子電池充電器
描述
TP4055 是一款完整的單節鋰離子電池充電器,帶電池正負極反接保護,采用恒定
電流/恒定電壓線性控制。其 SOT 封裝與較少的外部元件數目使得 TP4055 成為便攜式應用的理想選擇。TP4055 可以適合 USB 電源和適配器電源工作。
由于采用了內部 PMOSFET 架構,加上防倒充電路,所以不需要外部檢測電阻器和
隔離二極管。熱反饋可對充電電流進行自動調節,以便在大功率操作或高環境溫度條件下對芯片溫度加以限制。充滿電壓固定于 4.2V,而充電電流可通過一個電阻器進行外部設置。當電池達
關鍵詞: 所屬欄目:集成塊資料
TP4054 線性鋰離子電池充電器
概述
TP4054 是一款完整的單節鋰離子電池采用恒定電流/恒定電壓線性充電器。其 SOT
封裝與較少的外部元件數目使得 TP4054 成為便攜式應用的理想選擇。TP4054 可以適合USB 電源和適配器電源工作。
由于采用了內部 PMOSFET 架構,加上防倒充電路,所以不需要外部檢測電阻器和
隔離二極管。熱反饋可對充電電流進行調節,以便在大功率操作或高環境溫度條件下對芯片溫度加以限制。充電電壓固定于 4.2V,而充電電流可通過一個電阻器進行外部設置。當充電電流在達到最終浮充電壓之后降至設定值
關鍵詞: 所屬欄目:集成塊資料
高性能導熱硅膠片為高品質車載充電器散熱設計提供解決
車載充電器散熱應用的導熱硅膠片需滿足:導熱性能要好、柔軟、耐高溫、耐高低溫、高可靠性且安全環保。兆科電子嚴守品質關,以高標準來嚴格要求自己,在選擇車載充電器導熱界面材料方案也不例外。兆科導熱材料生產廠推薦一款TIF100-02S導熱硅膠片產品,導熱系數為1.5W/mK,耐溫范圍-40 To 160 ℃,可按客戶需求裁切所需尺寸與形狀,滿足高品質車載充電器散熱設計方案。
關鍵詞: 所屬欄目:車載功放電路
自制最簡單干電池充電器電路圖(原理圖)
自制最簡單干電池充電器電路圖(原理圖):干電池應用場合很多,遙控器應用干電池是最常見的一種,還有就是兒童玩具應用干電池也很多,只要是充電電池,就可以進行二次充電使用,其實干電池充電電路原理很簡單,自制最簡單干電池充電器電路也很容易,對于電子技術要求不高,只要會一點電路基本常識就可以輕松制作出來,如下圖所示:電子元器件很少,核心器件就是一個多抽頭變壓器,可以輸出固定電壓AC12V、AC8V、AC6V等就能完成。電路原理圖如下:
關鍵詞:充電器電路圖 所屬欄目:電路圖
雅迪48v20a充電器電路圖
雅迪48v20a充電器電路圖
充電器主要作用就是將交流AC220V電源轉換成固定的直流穩壓電源,在用直流電源給電動車進行充電,充電器的主要電路其實就是一個開關電源,和其他
關鍵詞:充電器電路圖 所屬欄目:電源電路
雅迪sp120一48v充電器電路圖
雅迪sp120一48v充電器電路圖
充電器主要由塑料外殼、輸出插頭、輸入插頭等組成。充電器上有指示燈,同時作為電源指示和充電指示使用,使用時先插上充電的輸出插頭,再插上
關鍵詞:充電器電路圖直流穩壓電源開關穩壓電源 所屬欄目:電源電路
分享延長電動車電池使用壽命、時間方法
延長電動車電池使用壽命:電動車是人們生活中出行的一種方式,很多家庭都有電動車,據本人身邊朋友使用電動車來說,一般兩年就要更換一次電瓶,很多人就在問如何延長電動車電池使用壽命或如何延長電動車電池使用時間呢?其實技巧是肯定有的,只要平時在使用中注意一些細節,便能夠讓電動車電池延長使用時間(使用壽命延長)。下面給大家介紹一些小技巧及經驗:
關鍵詞: 所屬欄目:其他文章
愛瑪雅迪60v電動車充電器電路圖(60伏10A安)
愛瑪雅迪60v電動車充電器電路圖
關鍵詞: 所屬欄目:電源電路
愛瑪電動車48v充電器電路圖
愛瑪電動車48V充電器電路就是一個開關電源,將220V交流電轉換成48V直流電源進行充電的一個過程,從整個電路來看,和其他一些品牌的充電器基本上相差不大,主要看控制芯片。工作原理大致相同。
關鍵詞:充電器電路圖 所屬欄目:開關電源電路圖
48V電動車充電器電路圖
48V電動車充電器電路圖:在眾多的出行方式中,電動車綠色環保、經濟實惠,使用方便及操作簡單等優點,其中48V電動車使用者數量巨大,那么48V電動車充電器是必不可少的充電設備。當電動車充電器出現故障后一般都是可以通過維修的方式來恢復正常功能的,要想維修48V電動車充電器就必須先了解電動車充電器電路圖及原理,下面就常用的TL494集成電路介紹一下工作原理。
關鍵詞:開關穩壓電源充電器電路圖 所屬欄目:電源電路
LM393與NE555組成電池充電器電路
LM393與NE555組成電池充電器電路具有成本效益的鎳鎘電池充電器LM393的構造如圖所示,它具有以下特點:(1)恒定電流充電散布著大電流di放電時,恒流充電電流約為300mA,放電
關鍵詞: 所屬欄目:電源電路
鎳鎘電池充電器電路圖大全
鎳鎘電池是一種直流供電電池,鎳鎘電池可重復500次以上的充放電,經濟耐用。其內部抵制力小,既內阻很小,可快速充電,又可為負載提供大電流,而且放電時電壓變化很小,是一
關鍵詞: 所屬欄目:電路圖
鎳鎘電池充電器電路圖及原理
鎳鎘電池充電器電路圖及原理
鎳鎘電池是一種直流供電電池,鎳鎘電池可重復500次以上的充放電,經濟耐用。其內部抵制力小,既內阻很小,可快速充電,又可為負載提供大電流,
關鍵詞: 所屬欄目:電路圖
充電器13001開關電源電路圖
13001開關電源電路圖主要應用于小功率開關電源電路中,最常見的應用電器應用充電器電路中,13001電路簡單,制作方便、成本低及可靠性好。深受廣大工程師喜愛,下面介紹基于13001開關電路。
關鍵詞:開關穩壓電源充電器電路圖 所屬欄目:開關電源電路圖
電動車ka3842a充電器電路圖、48V充電電路
電動車ka3842a充電器電路圖、48V充電電路在電動車48V充電器電路中,使用ka3842a集成電路控制開關電源工作很多,當然也有一部分是使用tl494來控制,還不清楚ka3842a集成電路引
關鍵詞:開關穩壓電源充電器電路圖穩壓集成電路 所屬欄目:開關電源電路圖
12v鋰電池充電器電路圖
12v鋰電池充電器電路圖
12Vdc移動電池充電器電路圖可以從12V汽車電源提供高達20 V的輸出,允許對NiCad電池單元進行恒定電流充電,最大電壓為18 V.
V1形成
關鍵詞:穩壓電源充電器電路圖 所屬欄目:電源電路
電池充電器電路原理圖(最大輸出18V)
電池充電器電路原理圖
這款通用電池充電器具有穩壓輸出電壓,可根據需要進行調節。此外,該電路還具有可調節的恒流充電電路。因此,該電路將與大多數NiCad電池兼容且易于
關鍵詞:穩壓電源充電器電路圖 所屬欄目:電源電路
電動車無刷控制器的連接方法(圖文)
控制器與電動機相位角正確匹配的情況下,電動機與控制器的霍爾和主相線之間就有36種接線方法。 一般來說,電動車用無刷電機的角度有兩種,即60度和120度60度的電機接線有
關鍵詞: 所屬欄目:其他文章
6V“千里眼”充電器電路圖解析(圖文)
“千里眼”充電器電路如圖所示。其中單向晶閘管 VS1為電瓶GB的充電電流管,VS2為電瓶充電時作切斷充電電流之用。當接通電源充電時,繼電器K動作,觸點3與觸點2接通,VS1的觸發端從R1和
關鍵詞:充電器電路圖 所屬欄目:電路圖