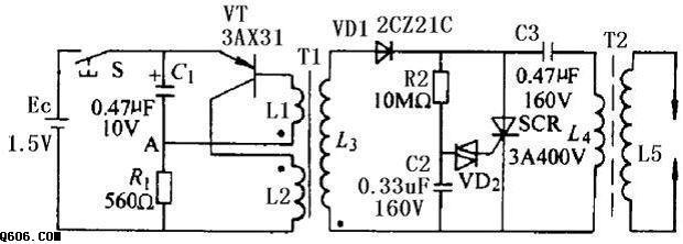
電子點火器電路:
電子點火器電路(電子打火機)本文提供一個常用的電子點火器電路。下圖
電路為該電路原理圖,該電路由單節AA或AAA電池供電,現將其工作原理說明如下:
電路中C1、R1、VT、L1、L2為
變壓器耦合形成正反饋的自勵振蕩電路。
電源接通時,通過R1給VT提供一個基極電流,
VT的集電極電流開始
,通過L1、L2的耦合作用,在L1產生感應電動勢,此電動勢與電源電壓疊加,使基極電流進一步
,集電極電流也更趨
,形成強烈的正反饋,結果使VT很快進入飽和
,
VT的集電極電流不再
,因而L1中感應電動勢將減小,VT的基極電流也開始減小,VT開始退出飽和區。集電極電流開始下降,在L1中的感應電動勢極性變化,使基極電流進一步減小,如此又形成一個正反饋過程,結果使VT很快進人截止
。在L1中感應電動勢極性改變的
,VD1開始導通,L2的能量傳遞給L3,待L2中磁能消耗完畢,VT的基極電位又下降,使VT再次導通,進人一個新的振蕩周期。二極管VD1和C3、L4組成高壓整流儲能電路。根據T1各繞組的接法,L2處于電流
階段時,L3中的感應電動勢的方向使VD1不能導通,只有當L2中電流從最大值開始減小時,L3的感應電勢使VD1導通,并通過L4向C3充電,
還通過R2向C2充電。在C2的電壓還沒有充到觸發管VD2的導通電壓(約30V左右)以前,C3沒有放電回路,電壓越來越高。R2、C2、VD2、SCR、C3、L4、L5組成充放電回路及打火回路。當C2的電壓充到觸發二極管VD2的導通電壓時,VD2被擊穿,電容C2通過VD2向晶閘管的觸發極放電,使晶閘管SCR導通,把C3儲存的能量迅速放掉,在L5感應出萬伏
的脈沖電壓,擊穿放電電極的間隙,產生放電火花。

本文地址:http://www.gsdpw.cn/dz/26/2010215153033.shtml
本文標簽:
猜你感興趣:
應用μPC1238構成的1OW音頻功率放大器
無
adc0809引腳圖
無
ds1302中文資料
無
ds18b20中文資料-引腳功能圖
無
7404引腳圖功能說明
無
viper22a中文資料-PDF
無
TDA7377引腳功能及參數
無
MB89F202RA引腳功能參數介紹
無
彩電集成塊STR50115引腳功能及代換型號
無
應用白熾燈激活電瓶
無
LM4824IP1引腳功能、中文資料及引腳電壓值
無
介紹無繩電烙鐵技術
無
使用電壓表核相方法
無
印刷電路板整體布局及器件布置
無
介紹hdmi是什么意思,HDMI接口介紹
無
介紹集成運算放大器的基本運算電路實驗內容
無
LM393引腳圖中文資料參數
無
晶閘管SCR觸發電路
無
TLP3616引腳功能
無
SR290 PDF資料下載
無