
圖3:使用Si4010計算電池壽命示例。雖然此示例不包括電池的自泄漏,但它確實說明了Si4010變送器的低功耗特性以及低待機電流的重要性。 Si4010變送器的超低待機電流比許多現有解決方案低一個數量級,是延長遙控器電池壽命的重要差異因素。
任何遙控設計中最重要的考慮因素之一是最小化系統設計成本受組件成本以外的諸多因素影響,包括人工,庫存,測試和制造產量。到目前為止,目前市場上占主導地位的低成本射頻遙控解決方案使用MCU和基于表面聲波(SAW)的射頻發射器,如圖4所示。

這種設計拓撲結構的廣泛接受主要源于其低成本和簡單性。 SAW器件與Colpitts振蕩器結構中的晶體管Q1諧振以形成載波頻率,并且晶體管Q2提供穩定操作所需的輸出功率放大和隔離。來自MCU的數據直接應用于SAW諧振器以形成OOK調制信號,來自MCU的GPIO6將電壓(VCC)提供給基于SAW的發送器。整個解決方案使用24個外部元件,包括MCU,一個旁路電容,一個用于為MCU提供時鐘的石英晶體,以及一個帶有跟蹤天線和電容的PCB。它的RF組件成本(不包括PCB,MCU和旁路電容器)在100,000單位體積中為0.77美元。 0.77美元的RF BOM成本不包括MCU,旁路電容或PCB的成本。傳統上,這是可靠RF傳輸的最低組件成本解決方案。從系統成本的角度來看,大的BOM數會增加其他成本,例如人工,庫存和測試,并降低制造產量。
盡管基于SAW的變送器因其組件成本低而廣泛用于遠程控制,但是這項舊技術的許多缺點。除了來自大量RF BOM組件的高系統成本之外,基于SAW的發射器還具有差的載波頻率精度,單頻操作,僅OOK調制,不一致的性能,對組件容差的敏感性和低制造產量。
相比之下,Si4010發射器是一個完整的片上系統(SoC)遙控IC。基于成熟的Si500硅振蕩器,其獲得專利的無晶體架構在商用溫度范圍內實現了±150 ppm的載波頻率精度,在工業溫度范圍內實現了±250 ppm,這是傳統低成本SAW發射器的兩倍精度沒有外部水晶。該器件工作在27至960 MHz的連續頻率范圍內,包括可編程功率放大器(PA),輸出功率高達+10 dBm,自動天線調諧和PA邊沿速率控制,符合FCC,ETSI和ARIB無線電頻率法規。嵌入式8051 MCU針對快速吞吐量進行指令優化,配備512字節內部數據RAM,4 kB RAM,8 kB OTP NVM,128位EEPROM,12 kB ROM功能庫和硬件加速128比特AES加密算法。該器件的1.8至3.6 V電源范圍,低待機電流低于超低功耗(10 nA)和觸摸喚醒操作,使Si4010成為紐扣電池應用的理想選擇。圖5顯示了Si4010發送器SoC的框圖。

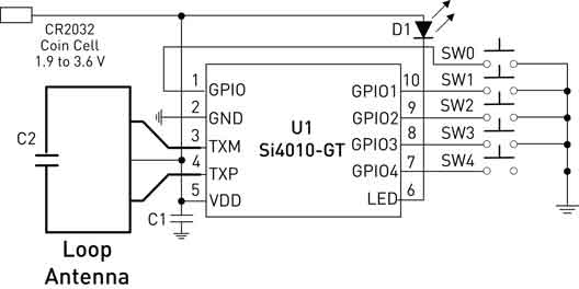
圖5:Si4010框圖。圖6顯示了使用Si4010和可選LED指示何時按下按鈕的遙控器原理圖。該遙控器的總BOM組件(不包括可選LED)是單個Silicon Labs的Si4010 IC,一個旁路電容,以及帶有PCB走線天線和電容的PCB。 Si4010的總BOM組件不僅遠低于基于SAW的發射器(3與24相比),Si4010也沒有任何RF組件,因為它們都集成在IC中。 Si4010的高集成度將總系統BOM從過去使用基于SAW的變送器的24個組件減少到僅僅三個組件。這種BOM減少大大減少了人工,庫存和測試成本,并大大提高了制造產量。此外,Si4010器件的自動天線調諧功能可確保始終如一的可靠輸出功率,并通過使用寬松公差制造工藝降低成本,因為不再需要高精度天線匹配。


圖7:使用Si4010Si4010的434 MHz遠程控制PCB。使用存儲在12 kB ROM中的Si4010變送器的遠程控制功能庫,開發遠程控制應用程序非常簡單。該庫包括按鈕服務程序,AES加密,編碼模塊,電池電壓測量和其他有用的遠程控制功能,以減少代碼大小和加快產品上市時間。
圖8顯示了遠程控制應用中使用的Si4010的流程圖。當電池插入或從按鈕按下從待機模式喚醒時,Si4010自動開始將用戶代碼從非易失性存儲器(NVM)復制到RAM,然后運行用戶代碼的啟動過程。啟動后,首先初始化器件的數字模塊(MCU,中斷,定時器,外設等),然后使用ROM庫中的功能初始化模擬模塊。例如,在該階段期間設置調制類型(OOK或FSK),數據速率,PA發送電平,載波頻率等。
容-源-電-子-網-為你提供技術支持
本文地址:http://www.gsdpw.cn/dzdiy/15501122233141.shtml
本文標簽:
猜你感興趣:
高性能無源晶振選擇YSX211SL晶振 精準穩定的時鐘引領電
在電子領域中,無源晶振是電路系統中重要的時鐘源。針對緊湊的電路布局和高要求的性能,平板FPC 2016無源晶振 YSX211SL以其獨特的特點成為了許多應用場景中的首選。
關鍵詞: 所屬欄目:電子基礎
三種解決方案為LED照明散熱設計添磚加瓦
關鍵詞: 所屬欄目:led
導熱硅膠片是AI智能音響散熱設計的得力幫手
AI智能音箱在電路板上有很多電子元器件,如:主控芯片、內存等這些,它們之間產生的熱量是相當大的,處理解決熱量傳導問題是不可避免的,采取解決方案就是應用導熱硅膠片。在電路板屏蔽罩內部,內存、PMIC、處理器也會使用到導熱硅膠片來加強散熱性能。
關鍵詞: 所屬欄目:電源電路
高性能導熱硅膠片為高品質車載充電器散熱設計提供解決
車載充電器散熱應用的導熱硅膠片需滿足:導熱性能要好、柔軟、耐高溫、耐高低溫、高可靠性且安全環保。兆科電子嚴守品質關,以高標準來嚴格要求自己,在選擇車載充電器導熱界面材料方案也不例外。兆科導熱材料生產廠推薦一款TIF100-02S導熱硅膠片產品,導熱系數為1.5W/mK,耐溫范圍-40 To 160 ℃,可按客戶需求裁切所需尺寸與形狀,滿足高品質車載充電器散熱設計方案。
關鍵詞: 所屬欄目:車載功放電路
pcb制板用什么軟件最好,自學pcb設計必備軟件推薦
很多新手朋友都會問:pcb制板用什么軟件最好,PCB設計常用什么軟件呢?其實,當你打算要學習PCB電路設計之前,你就必須了解一下這行業里面一般使用的是什么軟件是在進行設計,從剛開始就要用最專業的軟件,當然這樣會增加難度,但是當你完全習慣這個軟件之后就會發現其他軟件的不足,下面說為新手朋友們介紹幾款常用設計軟件。希望對大家有幫助。
關鍵詞: 所屬欄目:pcb
微型投影機散熱設計方案應用導熱硅膠片材料
目前微型投影機,均采用LED光源,光源為高亮度RGB三色LED模塊,由于采用紅綠藍三種顏色的LED來形成彩色化,因此其光學架構與傳統投影機有所不同。有時因工作需要,亮度不斷提高,然而亮度越高,投影過程產生熱的就越大,散熱問題就越嚴峻,就越需要有效率的散熱設計。作為導熱材料生產廠家,兆科提供在微型投影機中的應用材料:導熱硅膠片。
關鍵詞: 所屬欄目:其他文章
開關電源散熱設計熱衷于導熱硅膠片的原因及應用方式
在對電源散熱設計時,散熱這一塊就成了電源設計中非常重要的一個環節。電源散熱設計中常用的幾種方法有:使用被動散熱,如:散熱器、冷卻風扇,金屬PCB,導熱材料(導熱硅膠片)等。
關鍵詞: 所屬欄目:開關電源電路圖
發現電子工程師不得不知的十大設計誡條
前不久,發現很早以前印制的冊子,在這些冊子上列出了電子工程師的十誡。現在,就一并翻譯分享給中國電子工程師。這份資料里充滿了智慧,除了幽默的言語外,還有很多非常有用的建議
關鍵詞: 所屬欄目:元器件知識
TL494芯片設計48V/3A開關電源電路圖
48V3A開關電源電路
TL494是一種固定頻率脈寬調制電路,它包含了開關電源控制所需的全部功能,廣泛應用于單端正激雙管式、半橋式、全橋式開關電源。TL494有SO-16和PDIP
關鍵詞:開關穩壓電源 所屬欄目:開關電源電路圖
可滿足各種測試環境要求的多路信號源的設計
1、 引言隨著測試設備的飛速發展,其性能狀況越來越受到人們的重視,經過一段時間要對測試設備進行檢測。主測試板作為測試設備上的重要部件,它的性能好壞起著重要作用。在
關鍵詞: 所屬欄目:設計編程
基于FPGA器件實現多頻鍵控調制電路的設計和仿真驗證研
數字信號傳輸系統分為基帶傳輸系統和頻帶傳輸系統.頻帶傳輸系統也叫數字調制系統。數字調制信號又稱為鍵控信號,數字調制過程中處理的是數字信號,而載波有振幅、頻率和相
關鍵詞: 所屬欄目:設計編程
分享高速PCB設計技巧
高速PCB設計技巧 高速PCB設計是指信號的完整性開始受到PCB物理特性(例如布局,封裝,互連以及層堆疊等)影響的任何設計。而且,當您開始設計電路板并遇到諸如延遲,串擾,
關鍵詞: 所屬欄目:pcb
ARM異常中斷的原因及處理措
當ARM異常中斷發生時,系統執行完當前指令后,將跳轉到相應的異常中斷處理程序處執行。當異常中斷處理程序執行完成后,程序返回到發生中斷指令的下條指令處執 行。在進入異
關鍵詞: 所屬欄目:其他文章
電路圖設計用什么軟件
電路圖設計用什么軟件:電路原理圖是研究項目規劃必需要的一個設計方案,使用物理電學規范化的符號來制作的一類表達各電子元器件構成的的及其器件關系的基本原理布置圖,設計方案技術人員,安裝技術人員,或維修人員就可以根據由電路原理圖就可以獲知零部件間的設計原理及其問題,為解析特性,安裝電子,電器產品提供最方便,最有效的規劃方案,在設計方案電路原理圖中,
關鍵詞: 所屬欄目:電子基礎
產品設計、emc設計注意及挑戰
電子系統需要實施隔離,它的作用是保護人員和設備不受高電壓的影響,或者僅僅是消除PCB上不需要的接地回路。在各種各樣的應用中,包括工廠和工業自動化、醫療設備、通信和消
關鍵詞: 所屬欄目:電磁兼容
10-20W中功率D類音頻功放IC應用設計時怎樣降低底噪聲?
如何降低這兩類音頻功放的輸出底噪聲,深圳市永阜康科技有限公司針對客戶在應用中的問題,總結以下方法可供參考:
關鍵詞: 所屬欄目:音頻功放電路
合并式單端A類電子管功放電路設計
如圖所示為合并式單端A類電子管功放電路圖,本電路輸出功率:8W×2輸出阻抗:4Ω、8Ω輸入靈敏度:l.4V失真系數:2%頻率響應:25Hz-20kHz-3dB。電源功耗:120W。 :
關鍵詞: 所屬欄目:音頻功放電路
集成功率放大器件或分立元件放大電路設計
圖1為一個由分立元件構成的直流化的互補對稱OCL電路。電路由差分放大級、電壓推動級和復合輸出級構成。本電路引入了直流負反饋電路,一般功放中由于存在反饋電容,限制了低頻響應,為了消除這種不利影響,只有增
關鍵詞: 所屬欄目:音頻功放電路
廣播波段RF放大器的簡單介紹
該電路的頻率響應范圍為100HZ~3MHZ,增量約為30db,場效應晶體管Q1是按共源極自偏置模式配置的,可選擇適當的電阻R1將輸入阻抗設置為所需值,然后信號被直接耦合到Q2,此共基極電路用來隔離輸入,輸出電路,并使放
關鍵詞: 所屬欄目:音頻功放電路
采用6N1中u雙三極管設計膽前級電路
6N1是一只中μ雙三極管,μ=35,它具有R低、動態線性寬、頻率特性好、噪聲低等諸多優點,能承受較強信號輸入,并能給出足夠的輸出,既可用于電壓放大,又能用于倒相推動,在20世紀六七十年代可謂名噪一時,是各
關鍵詞: 所屬欄目:音頻功放電路