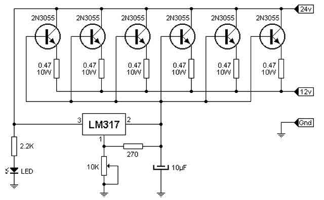
直流24v轉12v電路圖中的核心器件就是LM317,只要元器件選擇沒有錯誤,lm317保證能正常工作,整個電路就能完美實現直流24v轉12v。
本文相關文章:
LM317集成穩壓電路
本文地址:http://www.gsdpw.cn/nbq/24v_12v.shtml
本文標簽:
猜你感興趣:
PL2303 PFM升壓 DC-DC 變換器
關鍵詞: 所屬欄目:元器件知識
PS7526 高效 DC-DC 同步整流升壓轉換器
關鍵詞: 所屬欄目:元器件知識
FR9850 SOT23-6 2A同步降壓芯片 DC-DC轉換器
關鍵詞: 所屬欄目:集成塊資料
FR9206 SOT23-6 3A同步降壓芯片 DC-DC轉換器
關鍵詞: 所屬欄目:集成塊資料
FP6730 2A同步降壓芯片 DC-DC轉換器
一般說明
FP6730 是電流模式、脈沖寬度調制、升壓型直流/直流轉換器。內置的高壓 N 溝道 MOSFET 允許 FP6730 用于輸出電壓高達24V的升壓應用,以及單端初級電感轉換器(SE
關鍵詞: 所屬欄目:集成塊資料
LDO與DC-DC相比有什么區別
LDO與DC-DC相比有什么區別
首先從效率上說,DC-DC的效率普遍要遠高于LDO,這是其工作原理決定的。
其次,DC-DC有Boost,Buck,Boost/Buck,(有人把Charge Pump也歸為此類)
關鍵詞: 所屬欄目:電源電路
什么是DC-DC,DC-DC是什么意思
什么是DC-DC,DC-DC是什么意思
DC-DC轉換器包括升壓、降壓、升/降壓和反相等電路。DC-DC轉換器的優點是效率高、可以輸出大電流、靜態電流小。隨著集成度的提高,許多新型D
關鍵詞: 所屬欄目:電源電路
PW2052 DC-DC降壓調節器電路圖
一般說明 中英翻譯篇,翻譯部分
PW2052是一種高效率、高頻同步DC-DC降壓調節器。100%的人占空比特性提供低壓差操作,延長便攜式系統的電池壽命。內部同步開關提高了效率,
關鍵詞: 所屬欄目:元器件知識
1.5V升3V芯片和電路圖,DC-DC升壓IC
1.5V升3V的升壓芯片,3V給LED供電,或者單片機模塊供電等。
PW5200A工作頻率為1.4MHZ。輕載時自動PWM/PFM模式切換,提高效率。
PW5200A能夠提供2.5V和5V之間的可調輸出電
關鍵詞: 所屬欄目:元器件知識
2V轉5V輸出,2.4V轉5V輸出,DC-DC同步整流升壓電路
PW5100可以適用于2V轉5V和2.4V轉5V的應用電路中,PW5100是一顆DC-DC的同步升壓轉換器芯片。
PW5100特點: 低輸入,寬范圍:0.7V-5V 輸出電壓固定,外圍少:3V,3..3V,5V 輸
關鍵詞: 所屬欄目:元器件知識
自制最簡單12v轉220v逆變器制作及電路圖(車載大功率)
自制最簡單12v轉220v逆變器制作及電路圖(車載大功率);在有直流低電源而沒有220V交流電的情況下,逆變器是最佳的轉換裝置,很多場合都適用,比如喜歡釣魚的朋友,可以用逆變器為自己的用電設備使用。本文介紹一款應用CW3525A集成塊制作的最簡單12v轉220v逆變器及電路圖。電路很簡單,制作也方便,適用性很強。
關鍵詞:逆變器高頻逆變器 所屬欄目:逆變器電路圖
自制12伏變220伏的逆變器、電路圖(大功率200W)
自制12伏變220伏的逆變器、電路圖(大功率200W)利用晶閘管電路把直流電轉變成交流電,這種對應于整流的逆向過程,定義為逆變。
例如:應用晶閘管的電力機車,當下坡時使
關鍵詞:逆變器高頻逆變器 所屬欄目:逆變器電路圖
最簡單大功率500W晶體管逆變器電源電路圖
最簡單大功率500W晶體管逆變器電源電路圖
逆變器主要作用就是將低電壓轉換成高電壓,常見的就是要轉換成交流220V-50Hz,下面為大家介紹一個最簡單大功率的逆變器,電
關鍵詞: 所屬欄目:逆變器電路圖
簡單自制tl494逆變器電路圖50hz輸出,大功率
簡單自制tl494逆變器電路圖50hz輸出,大功率輸出,
逆變器(inverter)是把直流電能(電池、蓄電瓶)轉變成交流電(一般為220v50HZ正弦或方波)。應急電源,一般是把直流
關鍵詞:逆變器穩壓電路 所屬欄目:逆變器電路圖
簡單自制tl494逆變器電路圖50hz輸出,大功率
簡單自制tl494逆變器電路圖50hz輸出,大功率輸出,
逆變器(inverter)是把直流電能(電池、蓄電瓶)轉變成交流電(一般為220v50HZ正弦或方波)。應急電源,一般是把直流
關鍵詞:逆變器穩壓電路 所屬欄目:逆變器電路圖
車載12v轉220v逆變器電路圖(CW3525A應用電路)
變器電路圖(CW3525A應用電路)車載12v轉220v逆 本車載逆變器電路實際上是一個數字式準正弦波DC/AC逆變器,具有以下特點:(1)采用脈寬調制式開關電源電路,轉換效率高
關鍵詞: 所屬欄目:逆變器電路圖
555逆變驅動電路圖-最簡單12v轉220v逆變器制作
555逆變驅動電路圖-最簡單12v轉220v逆變器制作
關鍵詞: 所屬欄目:逆變器電路圖
ne555+13005逆變電路圖
ne555+13005逆變電路圖
逆變器電路圖有很多種,采用不同的控制方式可以得到不同的電路及輸出功率及頻率,本文介紹的是用13005逆變電路圖,13005主要作用是功率開關管,1
關鍵詞: 所屬欄目:電源電路
大功率12V轉220V逆變器電路圖(500W)
大功率12V轉220V逆變器電路圖(500W) 這是逆變器電路的 500W輸出。它將12VDC轉換為220V 50Hz。您可以輕松,廉價地構建它。 朋友喜歡這個。因為喜歡在戶外工作,或在必要
關鍵詞: 所屬欄目:逆變器電路圖
13005逆變電路圖
13005逆變電路圖:逆變器電路圖有很多種,采用不同的控制方式可以得到不同的電路及輸出功率及頻率,本文介紹的是用13005逆變電路圖,13005主要作用是功率開關管,13005決定輸出的功率(一般制作逆變器都希望輸出功率大更好)。電路前級主要是用NE555及13005控制,后級很簡單,就是整流加濾波得到直流電源。13005逆變電路圖如下:
關鍵詞:逆變器高頻逆變器 所屬欄目:逆變器電路圖